BUMPER/RACK MOUNTING Sportsman 4x4 W968040 (4935943594A007) | BUMPER/RACK MOUNTING Sportsman 4x4 W968040 (4935943594A007)

BUMPER/RACK MOUNTING Sportsman 4x4 W968040 (4935943594A007) | BUMPER/RACK MOUNTING Sportsman 4x4 W968040 (4935943594A007)
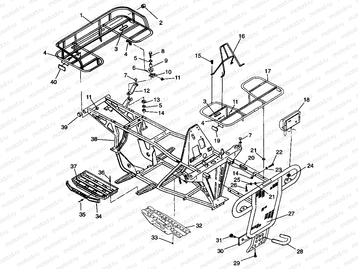
1
2670153-067
RACK,REAR,BLK.
2
5431013-067
CAP,BUMPER,FR,BLK.
3
5810455
PAD
4
7515355
Vis
5
7555716
Rondelle
6
5412508
DAMPENER-VIBRATION
7
5410012
PLUG RUBBER-HOLE .5DIA
8
7515304
SCREW-FLANGED
9
5010192
BUSHING
10
5220901-067
BRKT,RH SUPPORT RACK Substituted by 5243469-067
10
5243468-067
BRKT SUPPORT RACK LH BLK
11
7542327
NUT NYLOK
12
5220902-067
SUPPORT R.FENDER
13
5410436
Rondelle (Rubber)
14
7542324
Nut (SELF-LOCKING)
15
7512018
Vis
16
1040346-067
GUARD,SPEEDO,BLK.
17
2670155-067
RACK FRONT
18
4030048
BULB 37W
18
4032067
HEADLIGHT ASM (35.5W)
19
2670134
ASM. REFLECTOR AMBER
20
5810467
PLUG FRAME
21
7558301
WASHER FLAT
22
7512329
Vis
23
7558402
WASHER FLAT
24
5410437
GROMMET
25
7552801
Rondelle (Lock)
26
7512126
Vis
27
2670148-067
"""BUMPER FRONT BLK."""
28
5241224-067
HITCH,U-BOLT,BLK.
29
7512252
SCREW(10)
30
5211633-067
PLATE,BACK MT,BLK.
31
7515547
Vis
32
5240560-067
GUARD,ROCK,BLK.
33
7512232
Vis
34
5431484
TRIM, FOOTREST
35
7661825
RIVET
36
7661638
RIVET INTERLOCK B
37
1040274-117
FOOTPAD,LH,SILVER
37
1040351-067
FOOTPAD,RH,BLK.
38
1040518-067
FRAME,MAIN,(SPRTMN.4X4),BLK
39
5432047
PLUG,ENDCAP(10)
40
2670133
REFLECTOR ASM RED

Узлы для