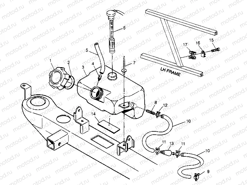
OIL TANK ASSEMBLY Sportsman 4x4 W948040 (4926842684A012) | OIL TANK ASSEMBLY Sportsman 4x4 W948040 (4926842684A012)

OIL TANK ASSEMBLY Sportsman 4x4 W948040 (4926842684A012) | OIL TANK ASSEMBLY Sportsman 4x4 W948040 (4926842684A012)
1
5430779
CAP OIL TANK
2
5810141
GASKET-OIL CAP
3
5431066
TANK, OIL
4
7052077
FITTING
5
8360009-600
LINE FUEL 1/8 ID 600 CM.
6
4110146
SWITCH,OIL LEVEL
7
7621460
RIVET
8
7052023
FITTING - OUTLET
9
7080568
CLAMP OIL LINE(300 ATV)
10
8450003-1525
LINE FUEL 1/4 ID(1525 CM.)
11
7080307
CLAMP HOSE
12
7080134
CLAMP-HOSE(10)
13
2530009
Filtre à carburant (IN-LINE)
14
8360026
PAD,BULK FUEL
15
7511856
SCREW(10)
16
7080526
MOUNT,TIE ANCHOR(10)
17
7080525
T-CLIP

Узлы для