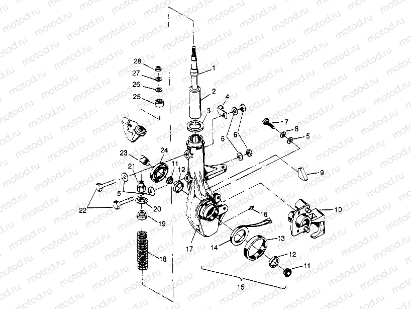
FRONT STRUT ASSEMBLY Sportsman 4x4 W948040 (4926842684B004) | FRONT STRUT ASSEMBLY Sportsman 4x4 W948040 (4926842684B004)

FRONT STRUT ASSEMBLY Sportsman 4x4 W948040 (4926842684B004) | FRONT STRUT ASSEMBLY Sportsman 4x4 W948040 (4926842684B004)
1
5410429
BUMPER RUBBER
2
7041451
STRUT ASM FRONT 25MM.
3
5211115
Rondelle
4
7080573
CLAMP RUBBER-COATED .562
5
7558402
WASHER FLAT
6
7542303
NUT FLEX-LOC
7
7512365
SCREW CAP
8
7552901
Rondelle (Lock)
9
5810439
RETAINER,WIRE,STRUT CAST
10
1910309
CALIPER BR FR LH.
11
3554506
BRG TAPER.ROLL.CONE
12
3554507
BRG TAPER ROLL CUP
13
5222193
SLEEVE STRUT HUB SEAL
14
4170003
COIL MAGNETIC
15
2200316
HUBSTRUT ASM LH
15
2200317
HUBSTRUT ASM, RH (Incl. 6, 18, 20, 23, 24)
16
7080306
FITTING LUBE.W/BALL CK.
17
5131016
"""SUPPORT LH HUBSTRUT"""
17
5131017
SUPPORT,RH,HUBSTRUT Substituted by 2200602
18
7041161-067
SPRING STRUT
19
5220602
RETAINER,SPRING,TOP
20
5432871
PIVOT BALL BOTTOM
21
5130668
SPACER THREADED
22
7515339
Vis
23
LR--
CALIPER, BRAKE, RH
24
3610028
SEAL HUB STRUT
25
5432872
PIVOT BALL TOP
26
5810291
SPACER RUBBER
27
7555749
Rondelle
28
7542507
NUT FLEX LOC

Узлы для