WIRING HARNESS » WIRING HARNESS

WIRING HARNESS » WIRING HARNESS
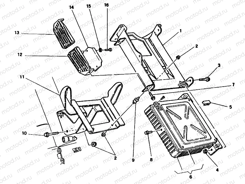
1
82911581A
HOLDER
2
74941118B
Nut
3
77210601A
pc - Vis
4
74810401A
20 pc - Nut
5
54610841A
EPROM
6
28640092A
ENGINE CONTROL UNIT
7
77250968B
pc - Vis (M6x10)
8
77250718B
pc - Vis
9
70010041A
Damper
10
77150772B
Vis
11
82911591A
BRACKET, FRONT
12
82911161A
RIGHT HOLDER
13
82911151A
LEFT HOLDER
14
28740332A
POWER GROUP
15
60N115654
Rondelle
16
722761035
pc - .SCREW M4X20

Узлы для