OIL TANK ASSEMBLY 6x6 400L W948740 (4926802680A013) | OIL TANK ASSEMBLY 6x6 400L W948740 (4926802680A013)

OIL TANK ASSEMBLY 6x6 400L W948740 (4926802680A013) | OIL TANK ASSEMBLY 6x6 400L W948740 (4926802680A013)
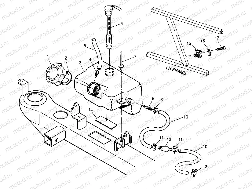
1
5430779
CAP OIL TANK
2
5810141
GASKET-OIL CAP
3
5431066
TANK, OIL
4
7052077
FITTING
5
8360009-600
LINE FUEL 1/8 ID 600 CM.
6
4110146
SWITCH,OIL LEVEL
7
7621460
RIVET
8
7052023
FITTING - OUTLET
9
7080134
CLAMP-HOSE(10)
10
8450003-1525
LINE FUEL 1/4 ID(1525 CM.)
11
7080307
CLAMP HOSE
12
2530009
Filtre à carburant (IN-LINE)
13
7080568
CLAMP OIL LINE(300 ATV)
14
5810317
PAD,FUELTANK BRKT. Substituted by 8360026
15
7080525
T-CLIP
16
7080526
MOUNT,TIE ANCHOR(10)
17
7511856
SCREW(10)

Узлы для