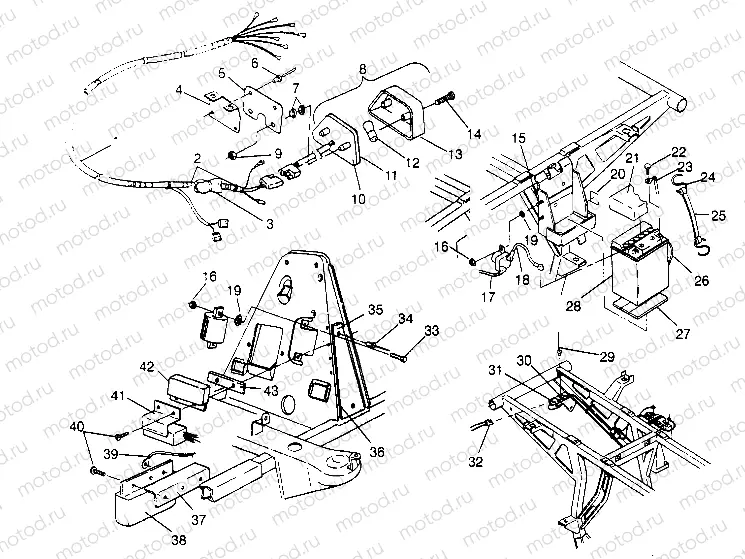
ELECTRICAL/TAILLIGHT ASSEMBLY 6x6 400L W948740 (4926802680C014) | ELECTRICAL/TAILLIGHT ASSEMBLY 6x6 400L W948740 (4926802680C014)

ELECTRICAL/TAILLIGHT ASSEMBLY 6x6 400L W948740 (4926802680C014) | ELECTRICAL/TAILLIGHT ASSEMBLY 6x6 400L W948740 (4926802680C014)
1
2460489
HARNESS,MAIN WIRE,(400-6X6)
2
7080138
CABLE TIE
3
2434012
CKT.BREAKER 20 AMP.
4
5240244-067
BRACKET T/L MOUNT
5
5211391-067
ISOLATOR,TAILLIGHT
6
7621453
RIVET
7
7558301
WASHER FLAT
8
2432034
TAIL LIGHT ASM.
9
7670054
NUT PUSH-ON
10
4032064
BACKING TAILLIGHT
11
4032045
Gasket
12
4030043
BULB
13
4032046
Taillight lens
14
4032029
Vis
15
7512027
Vis
16
7541925
NUT NYLOK 10-24 Y
17
4010064
CABLE SOLENOID/STARTER
18
4010094
CABLE BATT/SOLENOID RED
19
7571602
Rondelle
20
7072606
DECAL, BATTERY [No Longer Available]
21
5431769
COVER BATTERY
22
2200361
KIT-BATTERY BOLT (SHORT)
23
4010095
CABLE BATT/ENG. BLK.
24
7010032
HOOK-BATTERY STRAP
25
5418182
STRAP-BATTERY HOLD DOWN-C
26
8360009-600
LINE FUEL 1/8 ID 600 CM.
27
5810290
PAD BATTERY
28
4140006
La batterie
29
7621336
RIVET
30
7080524
CLAMP BLK 5/16 PLASTIC
31
2410023
POWERPLUG ASM,12V.
32
2460442
PIGTAIL POWER
33
7512007
Vis
34
7621322
RIVET, POP(50)
35
4040022
BOARD,TERMINAL
36
5431152
SHIELD,TERM.BOARD
37
5131036
HEATSINK RECT.
38
2205046
KIT-REGULATOR RECTIFIER LR-35
39
2460485
HARNESS JUMPER RECTIFIER
40
7512018
Vis
41
5240428
BRKT CDI(ATV 400)
42
4060112
LIMITER,RPM,350HZ. Substituted by 4060203
43
5210650
HEAT SINK

Узлы для