A-ARM/STRUT MOUNTING 4x4 300 W948130 (4926762676B009) | A-ARM/STRUT MOUNTING 4x4 300 W948130 (4926762676B009)

A-ARM/STRUT MOUNTING 4x4 300 W948130 (4926762676B009) | A-ARM/STRUT MOUNTING 4x4 300 W948130 (4926762676B009)
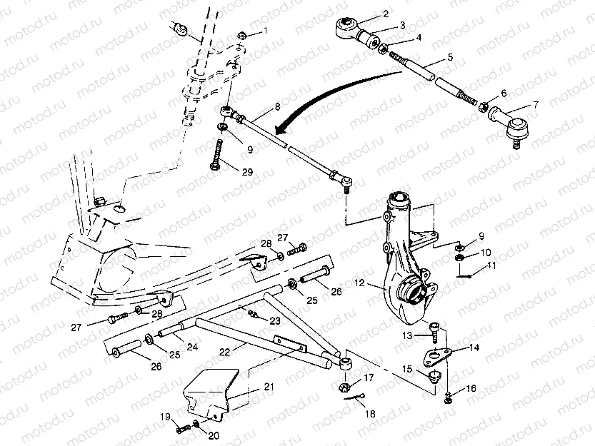
1
7542403
NUT LOCK
2
5410540
BOOT SEAL ROD END
3
1822179
ROD END ASM /SEAL BOOT
4
7542401
NUT HEX RH
5
5020528
TIE ROD
6
7546902
NUT LH 10 MM.
7
7060147
ROD END
8
1822081
TIE ROD ASM. Substituted by 1822310
9
7555806
WASHER FLAT
10
7546904
NUT CASTLE
11
7661203
PIN COTTER
12
LR--
CALIPER, BRAKE, RH
13
7061158
BALL-JOINT GREASELESS STRUT
14
5211121
BRKT BALL JOINT
15
5412658
BOOT-BALLJOINT GREASELESS STRT
16
7512284
BOLT SOCKET
17
7542438
NUT CASTLE
18
7661401
PIN COTTER
19
7512017
Vis
20
7555792
Rondelle
21
5431150-070
SHIELD-CV JOINT LH BLK
21
5431149-070
SHIELD-CV JOINT RH BLK
22
2200481
KIT,A-FRAME,LH (Incl. 18,23,25-28)
22
2200482
KIT A-FRAME RH
23
7080433
FITTING LUBRICATION THREADED(1
24
5133806
SHAFT-A-ARM
25
5020677
BUSHING A-ARM SPACER
26
5436973
BUSHING-A-ARM LONG 102.36MM(10
27
7512492
Vis
28
7552603
Rondelle (Lock)
29
7515554
Vis

Узлы для