REAR BRAKE SYSTEM » BRAKING SYSTEM

REAR BRAKE SYSTEM » BRAKING SYSTEM
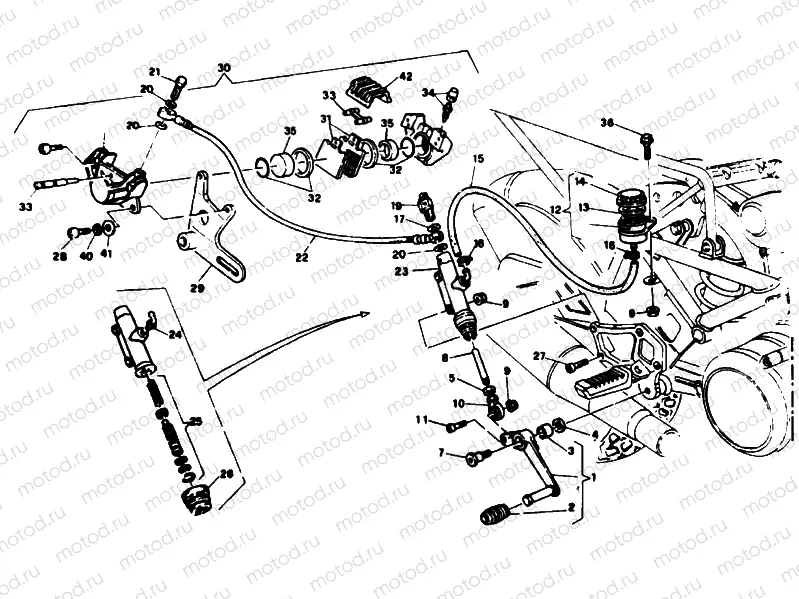
1
45720031A
Pédale de frein
2
76510171A
Damper
3
037069525
. BUSH
4
096059040
Rondelle (THRUST)
5
74750101A
pc - Nut
6
77910541A
Vis
7
037069530
PIN PEDAL
8
11710221A
DJUSTER ROD
9
74941118B
Nut
10
764010001
.BALL JOINT
11
77350678B
Vis
12
58540311A
RESERVOIR, BRAKE FLUID
13
74950061A
2 pc - Nut
14
89340241A
.TANK CAP
15
59010341A
.FLEX. PIPE
16
74140431A
Collier
17
067080010
Rondelle
18
85350061A
Rondelle (spring)
19
53940035A
Commutateur de feu-stop (Rear)
20
85250241A
Rondelle
21
78140011A
5 pc - . BOLT, BRAKE HOSE
22
61940091A
Durite de frein
23
62540041A
Brake hydraulic pump
24
63140081A
.JOINT, HOSE
25
800042343
. GASKET SET MASTER CYLINDER
26
62640131A
.DUST COVER
27
77350728B
Vis
28
77151248B
Vis
29
82510051A
BRACKET, REAR CALIPER
30
61140024A
Rear caliper
31
61340731A
Plaquette de frein
32
61240081A
.DUST PLUG
35
79910441A
Spring
36
77150638B
pc - Vis
37
85211761A
0 pc - Rondelle

Узлы для