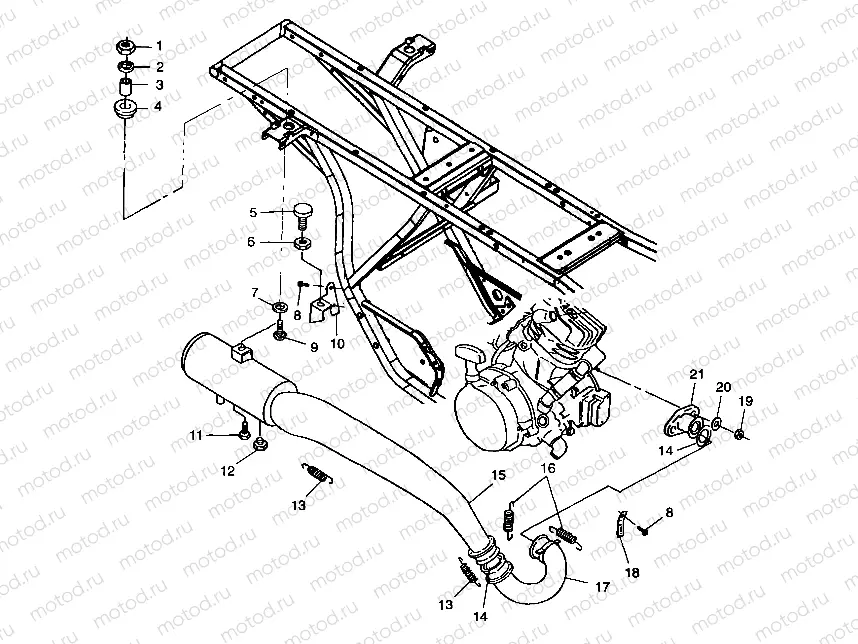
EXHAUST SYSTEM - A99CG38CA (4949634963A013) | EXHAUST SYSTEM - A99CG38CA (4949634963A013)

EXHAUST SYSTEM - A99CG38CA (4949634963A013) | EXHAUST SYSTEM - A99CG38CA (4949634963A013)
1
7542324
Nut (SELF-LOCKING)
2
7555716
Rondelle
3
5010192
BUSHING
4
5412508
DAMPENER-VIBRATION
5
3022073
ISOLATOR-STOP 5/16-18M 65DURO
6
7542301
NUT HEX
7
5410436
Rondelle (Rubber)
8
7512232
Vis
9
7515316
Vis
10
5243199-067
BRKT-EXHAUST MOUNT,XPL 400,BLK
10
7547101
NUTSERT-5/16-18(.027-.150) HXY
11
7512666
Vis
12
7052083
PLUG, CLEANOUT
13
7041687
Spring
14
5211688
Exhaust gasket
15
1260906-029
EXHAUST,XPLORER 400,BLK
16
7042029
Spring
17
1260901-029
HEADPIPE,GEN 4,400,BLK
18
5222665
TAB, SPRINGS
20
LR--
CALIPER, BRAKE, RH
21
1260902-029
MANIFOLD,GEN 4,400,BLK

Узлы для