COOLING SYSTEM - A99CG38CA (4949634963A010) | COOLING SYSTEM - A99CG38CA (4949634963A010)

COOLING SYSTEM - A99CG38CA (4949634963A010) | COOLING SYSTEM - A99CG38CA (4949634963A010)
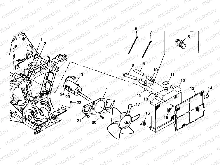
1
7542122
NUT-NYLOK
2
7558301
WASHER FLAT
3
4170013
MOTOR,FAN,LIQ,D-SHAFT,CONN
4
5241355-067
BRKT.COOL.FAN,BLK
6
7080571
STRAP,8 IN.TYTON
7
7080138
CABLE TIE
8
4110225
SWITCH,THERMAL,FAN,L/C
9
LR--
CALIPER, BRAKE, RH
10
7080614
CLAMP HOSE
11
2511270
CAP PRESSURE (13 LB)
12
1240015
RADIATOR,"U"FLOW
13
5431760
COVER,RADIATOR,W/MESH
14
5410607
O RING
15
7515133
Vis
16
7052181
VALVE DRAIN COCK
17
5242550
BLADE,FAN,NYLON,8"
18
5020572
SPACER MOUNT
19
3110032
MOUNT RUBBER
20
7517475
Vis
21
7512232
Vis
22
5410584
BUSHING-MOUNT LOWER RADIATOR
23
7558201
WASHER FLAT
24
7547004
NUT

Узлы для