CYLINDER - PISTON » ENGINE CASE

CYLINDER - PISTON » ENGINE CASE
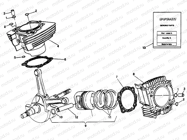
1
88641181A
O-Ring
2
88641211A
5 pc - O-Ring
3
080517125
.BUSH
4
12020071A
VERTICAL CYLINDER-PISTON ASSY
5
938232037
10 pc - O-Ring
6
78610071A
2 pc - Joint d'embase cylindre (0,3 mm)
7
78610081A
2 pc - Joint d'embase cylindre (0,3 mm)
8
12020081A
HORIZONTAL CYLINDER-PISTON ASSY
9
12020401B
Piston
10
12111741A
Seeger
11
12120131A
Kir segment
12
067547450
Piston pin
13
79120111B
Pochette de joints cylindre

Узлы для