CRANKSHAFT » ENGINE CASE

CRANKSHAFT » ENGINE CASE
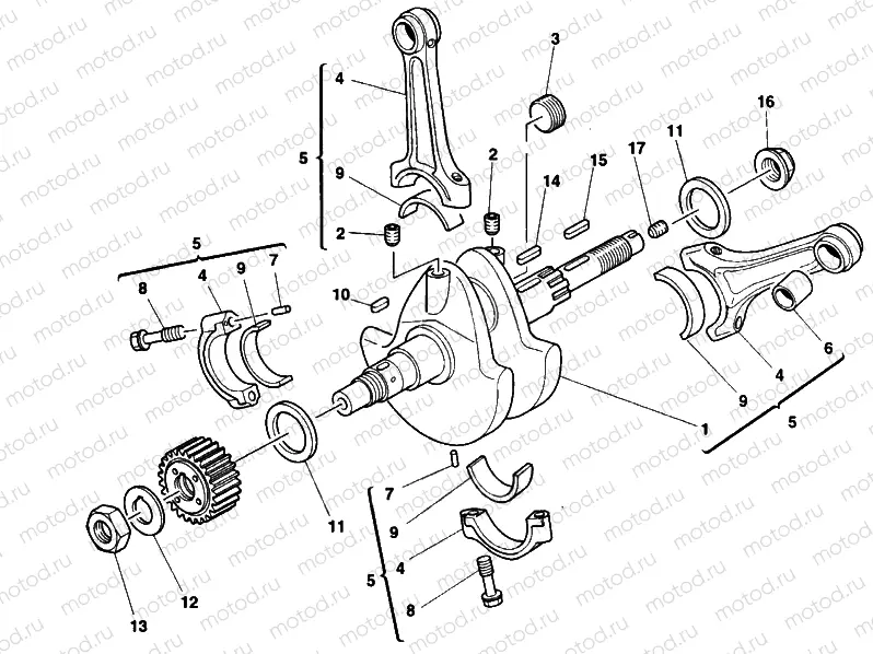
1
067047150
CRANKSHAFT
2
77911092A
.SCREW, SPECIAL
3
78010161A
.THREADED PLUG M20X1
4
15820182A
CONNECTING RODS PAIR
5
14520041A
CRANKSHAFT
6
066047290
Plane bearing - connecting rod
7
742240570
.PIN 2.5X10 SW
8
77914041A
BOLT, CONNECTING ROD
9
066047230
Plane bearing - connecting rod
9
066047235
Plane bearing - connecting rod
9
066047236
Plane bearing - connecting rod
10
061947050
.WOODRUFF KEY
11
85211011A
Rondelle (THRUST)
11
85210762A
pc - Rondelle (THRUST)
11
85210772A
Rondelle (THRUST)
11
85210782A
Rondelle (THRUST)
11
85211001A
pc - Rondelle (THRUST)
12
85110191A
Rondelle (Lock)
13
75011611A
.NUT
14
741010770
.KEY 4X4X10 UNI 6604
15
075929190
.WOODRUFF KEY
16
74810181A
Nut
17
77911092A
.SCREW, SPECIAL

Узлы для