A-ARM/STRUT MOUNTING Scrambler 500 W97BC50A (4943074307B011) | A-ARM/STRUT MOUNTING Scrambler 500 W97BC50A (4943074307B011)

A-ARM/STRUT MOUNTING  Scrambler 500 W97BC50A (4943074307B011) | A-ARM/STRUT MOUNTING  Scrambler 500 W97BC50A (4943074307B011)
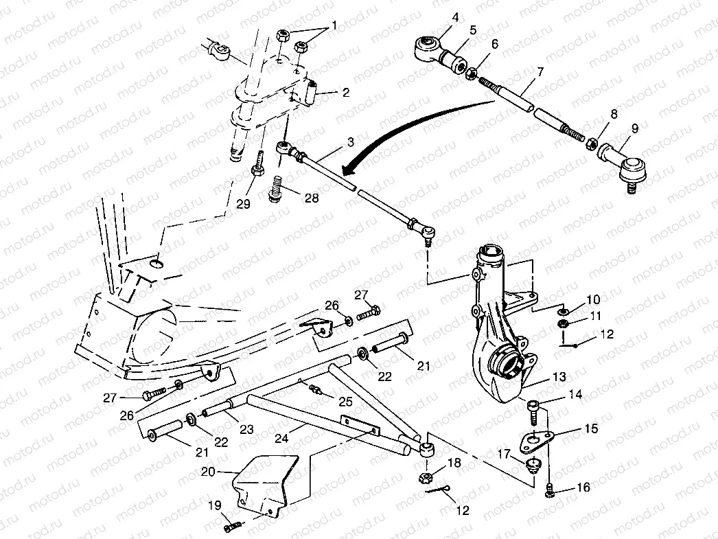
1
7542403
NUT LOCK
2
5333367
BUSHING
3
2201741
TIE ROD KIT 13.4 4X4
4
5412928
BOOT-SEAL ROD END 1/2 IN
5
7061139
ROD-END 3/8 1/2-20RH 44DEG
6
7542711
NUT-JAM
7
5020926
ROD TIE
8
7547028
NUT JAM LH
9
2201743
ROD END KIT 10MM OUTER
10
7555806
WASHER FLAT
11
7546904
NUT CASTLE
12
7661203
PIN COTTER
13
LR--
CALIPER, BRAKE, RH
14
7061158
BALL-JOINT GREASELESS STRUT
15
5211121
BRKT BALL JOINT
16
7512284
BOLT SOCKET
17
5412658
BOOT-BALLJOINT GREASELESS STRT
18
7542438
NUT CASTLE
19
7512084
Vis
20
5431149-070
SHIELD-CV JOINT RH BLK
20
5431150-070
SHIELD-CV JOINT LH BLK
21
5436973
BUSHING-A-ARM LONG 102.36MM(10
22
5020677
BUSHING A-ARM SPACER
23
5133806
SHAFT-A-ARM
24
2202275
KIT-A-FRAME RH(1541741)
24
2202274
KIT-A-FRAME LH(1541740)
25
7080433
FITTING LUBRICATION THREADED(1
26
7552603
Rondelle (Lock)
27
7512492
Vis
28
7515554
Vis
29
7515415
Vis

Узлы для