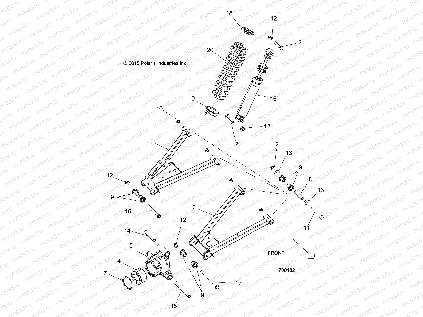
SUSPENSION | SUSPENSION, REAR - R21CCA57A1/A7 (700482)

SUSPENSION | SUSPENSION, REAR - R21CCA57A1/A7 (700482)
0
2830561
K-HD BUSHING SUSP RGR 570 MID
1
1018992-458
WELD-CONTROL ARM UPPER RH M.BK
1
1020797-458
WELD-CONTROL ARM UPPER LH M.BK
2
7518563
BOLT-M10X1.25X60 HXFLG-OLIVE D
3
1018995-458
WELD-CONTROLARM LWR M.BLK
4
3515087
BEARING-WHEEL 40X74X40MM
4
3514635
BEARING-WHEEL 40X74X40MM
5
5138501
CARRIER-BEARING WHEEL LH
5
5138502
CARRIER-BEARING WHEEL RH
6
7044139
SHOCK-REAR
7
7710440
RING RETAINING
8
5138797
SHAFT-PIVOT 70.99MM 15.88OD
9
1543367
ASM-BUSHING HD W/SEAL 5.23 FLG
9
5439874
BUSHING-STANDARD ORV
10
7080510
FITTING ZERK 90 DEGREE
11
7519043
SCR-HXFL-M10X1.25X95 10.9 ZOD(
12
7547333
NUT-M10X1.25 FLG NYLOC-OLIVE D
13
7556153
WASHER 3/8 FW
14
5138794
SHAFT-PIVOT 89.71MM 15.88OD
15
5138796
SHAFT-PIVOT 139.1MM 15.88OD
16
7518566
BOLT-M10X1.25X115 HXFLG-OLIVED
17
7519042
SCR-HXFL-M10X1.25X165 10.9 ZOD
18
5251753
RETAINER-SPRING STEEL
19
5253768
CAM-ADJUSTING SPRING STEEL
20
7045563-458
SPR-215-375# 11.75FL MATTE BLK
20
7045563-458
SPR-215-375# 11.75FL MATTE BLK

Узлы для