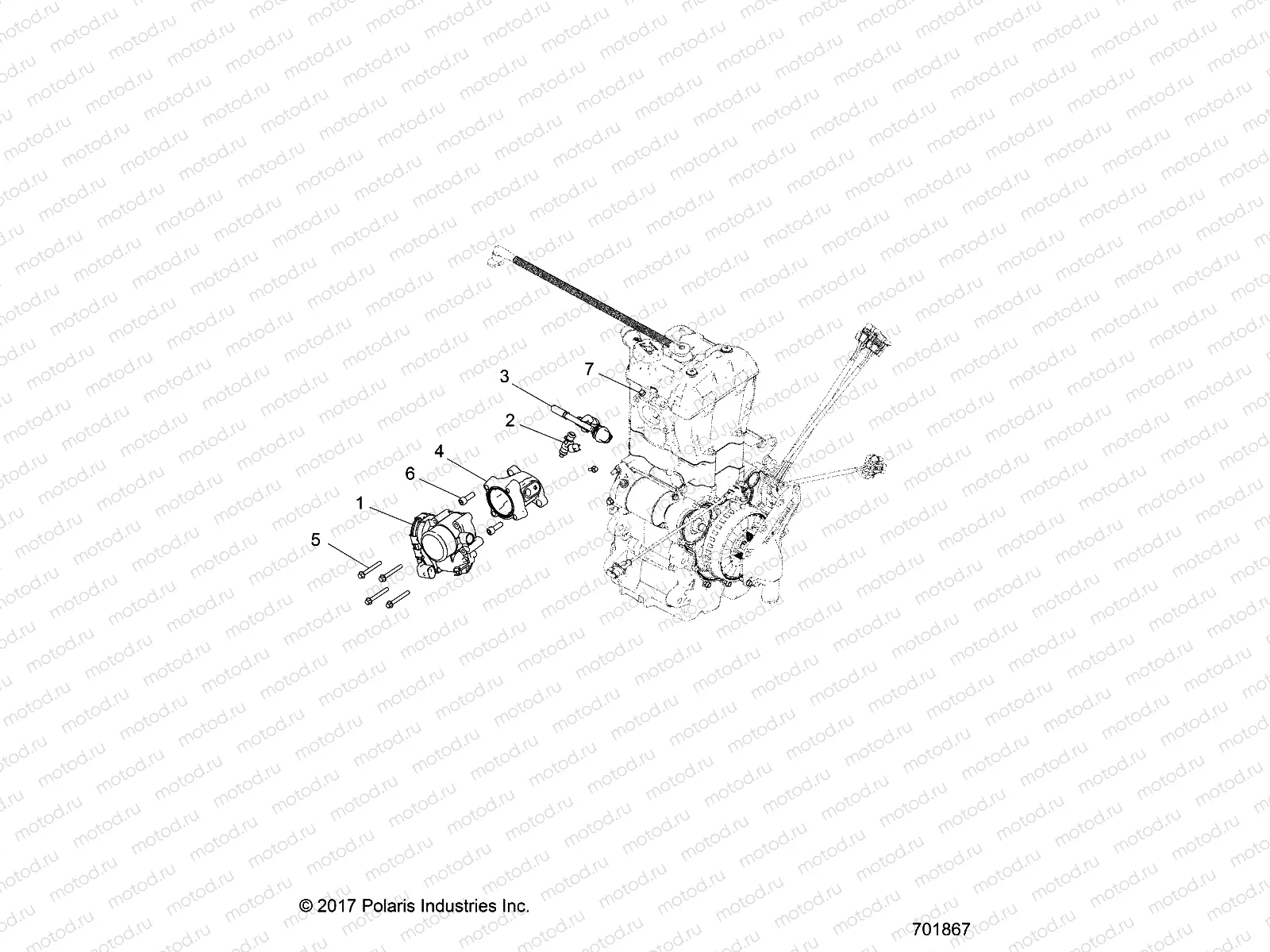
ENGINE | ENGINE, THROTTLE BODY and FUEL RAIL - R21CCA57A1/A7 (701867)

ENGINE | ENGINE, THROTTLE BODY and FUEL RAIL - R21CCA57A1/A7 (701867)
1
1204455
THROTTLE-ETC 46MM
2
1500198
O-RING
2
2521068
INJ-FUEL EV14COMPACT 200G
3
2521403
RAIL-FUEL 1CYL(4-BAR_SCHDRLESS
4
5415525
ADAPTER-THROTTLE BODY ETC
5
7517932
SCR-M6X1.0X50.0 HX/FL-YD
6
7519859
SCR-SH-M8X1.25X25 8.8 ZPC
7
7518576
SCR-M6X20 HXFLG 0600214

Узлы для