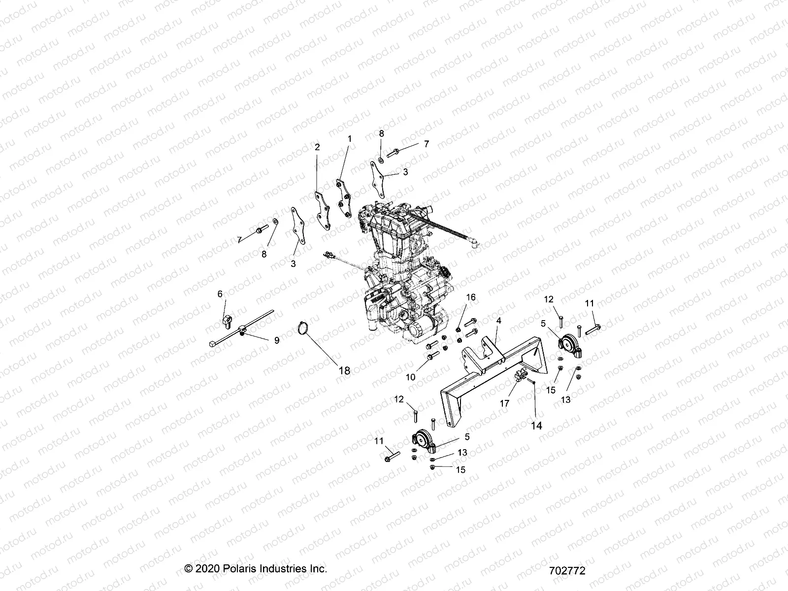
ENGINE | ENGINE, ENGINE and TRANSMISSION MOUNTING - R21CCA57A1/ A7 (702772)

ENGINE | ENGINE, ENGINE and TRANSMISSION MOUNTING - R21CCA57A1/ A7 (702772)
1
1018420
WELD-TRANS INNER LEFT
1
1025909
WELD-TRANS INNER LH
2
1025910
WELD-TRANS INNER RH
2
1018421
WELD-TRANS INNER RIGHT
3
5255321
BRKT-COUPLER TRANS OUTER
4
1025121-329
WELD-MNT,ENGINE,BLK
5
1332955
MOUNT-ISOLATOR DRIVELINE
6
7670102
CLIP
7
7518971
SCR-M10X1.5X50 8.8 HX/FL ZOD
8
7556153
WASHER 3/8 FW
9
7081496
CLIP-ROUTING
10
7519332
SCR-HXFL-M10X1.25X40 8.8 ZOD
11
7518563
BOLT-M10X1.25X60 HXFLG-OLIVE D
12
7519097
SCR-HH M8X1.25X45 8.8 ZOD
13
7547030
PALNUT
14
LR--
CALIPER, BRAKE, RH
15
7547332
NUT-M8X1.25 FLG NYLOC-OLIVE D
16
7547333
NUT-M10X1.25 FLG NYLOC-OLIVE D
17
LR--
CALIPER, BRAKE, RH
18
7080138
CABLE TIE

Узлы для