STEERING/A-ARM Trail Boss W948527 (4926822682B005) | STEERING/A-ARM Trail Boss W948527 (4926822682B005)

STEERING/A-ARM Trail Boss W948527 (4926822682B005) | STEERING/A-ARM Trail Boss W948527 (4926822682B005)
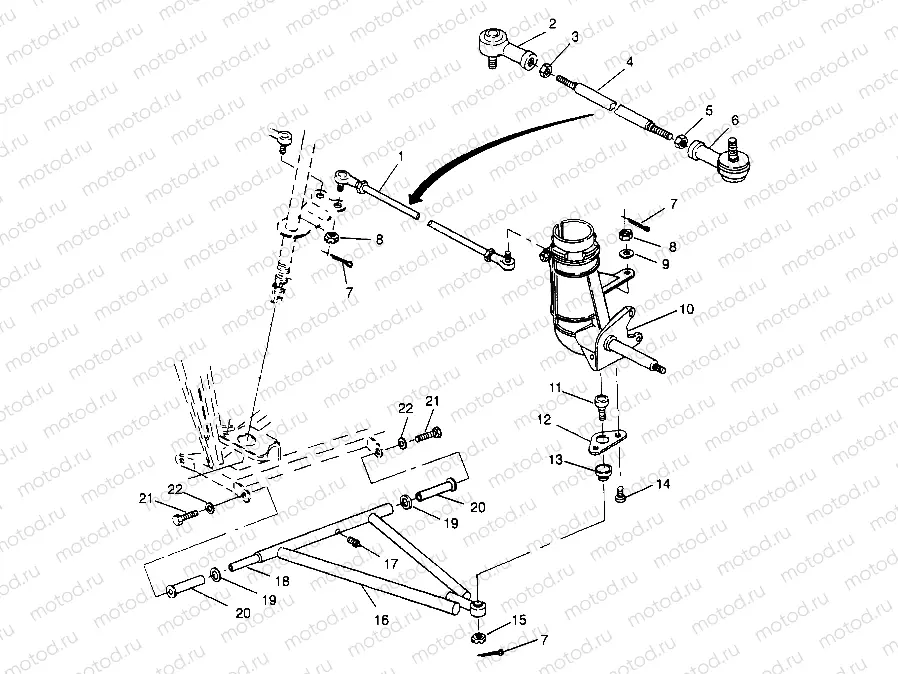
1
1822070
"""TIE ROD ASM."""
2
7060172
ROD END RH 10 MM.
3
7546901
NUT, RH, 10 MM.(10)
4
5020478
TIE ROD
5
7546902
NUT LH 10 MM.
6
7060147
ROD END
7
7661203
PIN COTTER
8
7546904
NUT CASTLE
9
7555806
WASHER FLAT
10
LR--
CALIPER, BRAKE, RH
11
7061158
BALL-JOINT GREASELESS STRUT
12
5211121
BRKT BALL JOINT
13
5412658
BOOT-BALLJOINT GREASELESS STRT
14
7512284
BOLT SOCKET
15
7542438
NUT CASTLE
16
2200478
KIT A-FRAME RH
16
2200477
KIT A-FRAME LH
17
7080433
FITTING LUBRICATION THREADED(1
18
5020680
SHAFT A-ARM (2X4)
19
5020677
BUSHING A-ARM SPACER
20
5436973
BUSHING-A-ARM LONG 102.36MM(10
21
7512492
Vis
22
7552603
Rondelle (Lock)

Узлы для