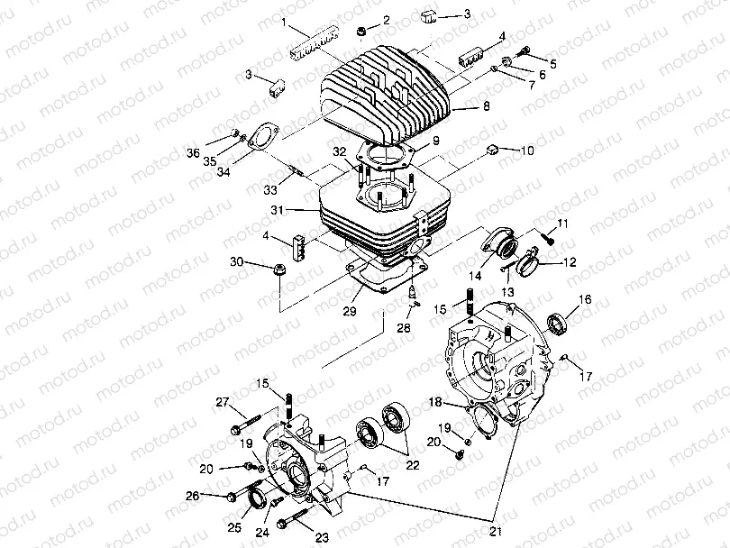
CRANKCASE and CYLINDER - W948527 (4926822682C005) | CRANKCASE and CYLINDER - W948527 (4926822682C005)

CRANKCASE and CYLINDER - W948527 (4926822682C005) | CRANKCASE and CYLINDER - W948527 (4926822682C005)
1
3083931
FIN DAMPER #3
2
3082910
NUT-FLANGE
3
3083932
FIN DAMPER #4
4
3083929
FIN DAMPER #1
5
3083730
ASM. BOLT AND WASHER
6
3083731
MOUNTING,RUBBER
7
3083732
Entretoise
8
3086841
HEAD CYLINDER
9
3084015
Joint culasse
10
3083930
FIN DAMPER #2
11
3081330
BOLT SOCKET HEAD
12
3082257
ASM. BAND ADAPTER
13
3081497
Vis
14
3085013
ADAPTER CARB.
15
7520776
STUD-M10X1.25X50
16
3082162
SEAL,OIL
17
3086838
Dowel pin
18
3085283
GASKET STARTER(NON-ASBESTOS)
19
7555998
WASHER FLAT
20
3083767
Vis de vidange d'huile
21
3084579
CRANKCASE ASM.
22
3084580
BEARING BALL
23
3080739
ASM. BOLT AND WASHER
24
3081635
SCREW&WASHER ASM.
25
3084581
SEAL OIL PTO
26
3083615
BOLT&WASHER ASSY.
27
3082096
BOLT AND WASHER ASSY.
28
3086785
ASM. VALVE CHECK
29
3084016
Joint d'embase cylindre
30
3082911
NUT-FLANGE.
31
3083769
CYLINDER Substituted by 3085541 (Incl. 12-14)
32
3080283
STUD
33
3080016
STUD (10)
34
3083770
Exhaust gasket
35
3080530
Rondelle (Lock)
36
3087199
Nut

Узлы для