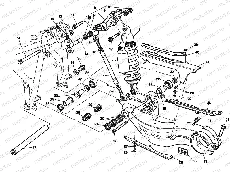
REAR SHOCK ABSORBER » SWING ARM

REAR SHOCK ABSORBER » SWING ARM
1
36520161B
Amortisseur arrière
2
87510222A
TIE-ROD
3
764010009
BALL JOINT
4
75010221A
NUT M12X1
5
764010010
BALL JOINT
6
75010211A
NUT M12X1
7
71010251A
pc - SPINDLE, TAPER
8
37220041A
ROCKER ASSEMBLY
9
70140041A
Needle bearing
10
93040111A
.OIL SEAL
11
77159378B
Vis
12
77159382B
Vis
13
71510031A
SPACER
14
71312391A
Rondelle
15
74840241AB
pc - Nut
16
002337153
Rondelle (10.3x18x1)
17
77110031A
Vis
18
71010261A
SPINDLE, TAPER
19
37010141A
SWING ARM
20
70140701A
Needle bearing
21
93050121A
Joint
22
70250451A
Roulement
23
71310781A
Entretoise (Inner)
24
83210031A
. PIN
25
44710191A
Guard chain sliding shoe
26
44710201A
Guard chain sliding shoe (Lower)
27
800062653
10 pc - Entretoise
28
77250988B
pc - Vis
29
87210161A
.PLUG, RH
30
87210171A
.PLUG
31
77210042B
Vis
32
71210191A
Entretoise (Outside)
33
71010231A
Entretoise
34
71010241A
Entretoise
35
77210031A
Vis
36
85210681B
pc - Rondelle
37
36910031A
XLE, REAR SWING ARM
38
43311671A
2 pc - STICKER, ADJUSTING CHAIN
39
77250718B
pc - Vis
40
46010401B
GUARD
41
44610021B
CHAIN GUARD

Узлы для