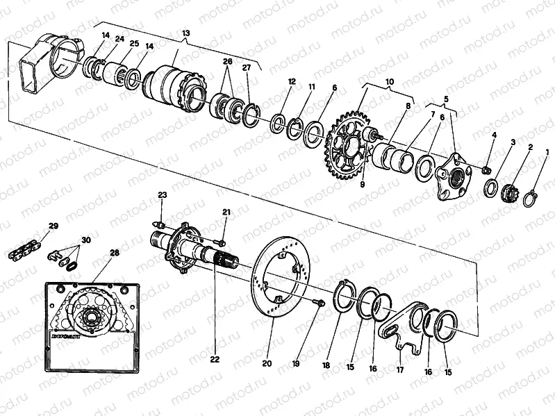
HUB, REAR WHEEL » REAR WHEEL

HUB, REAR WHEEL » REAR WHEEL
1
75910081A
pc - .RETAINER 35MM
2
75012111AA
NUT M33 REAR AXLE - GS STSTR008
3
85210551A
pc - Rondelle
4
74840241AB
pc - Nut
5
16020211D
REAR SPROCKET FLANGE
6
85210582A
pc - Rondelle
7
71110671A
BUSH
8
71210181A
BUSH
9
70090552A
Damper - rear wheel hub
10
49420431A
REAR SPROCKET T36
11
88450051A
Seeger
12
85210561A
Rondelle
13
16220083B
HUB
14
93040181A
.SEAL RING
15
85210591A
Rondelle
16
88650031A
O-Ring
17
82510091A
PLATE
18
88450041A
2 pc - Seeger
19
77152662B
.SCREW M8X14
20
49240111B
Disque de frein
21
77210051A
Vis
22
81920391A
HUB, REAR WHEEL
23
86310011D
.PIN
24
88440051A
Seeger
25
70240061B
Needle bearing
26
70240111A
.BEARING PAIR
27
88440061A
Seeger
28
67620241A
.FINAL DRIVE KIT
29
67640213A
CHAIN DID 525HV3 94 MAGLIE OPENED
30
67740033A
CHAIN LINK

Узлы для