HANDLEBAR » HANDLE BAR

HANDLEBAR » HANDLE BAR
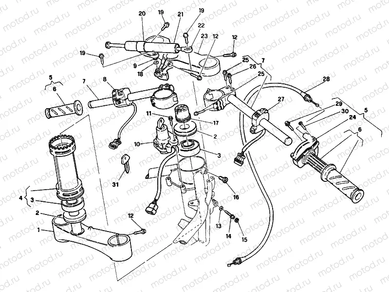
1
34220103A
BOTTOM YOKE 748R/01 998B/02
2
93010041B
.SEAL RING
3
70241231A
Cage à bille de direction
4
34320051A
TUBE
5
65420021A
THROTTLE CONTROL
6
65620121A
Poignées
7
36020181A
HALF-HANDLEBARS PAIR
8
65140072A
Handlebar switch (Left)
9
938232037
10 pc - O-Ring
10
65240043A
KEY-OPERATED SWITCH
11
77210601A
pc - Vis
12
77157258B
pc - Vis
13
85210711A
pc - .THRUST WASHER 1 MM
14
77157238B
pc - Vis
15
88450011A
pc - Seeger
16
77910601A
Vis (spec)
17
70310131A
THREAD, STEERING HEAD TOP
18
85210501A
. THRUST WASHER 0.7 MM
19
77116648B
5 pc - Vis
20
82920791B
RACKET
21
36420031B
STEER.DAMPER 748-998B/02
22
84820011A
. END PART
23
34120011A
UPPER BRACKET HS
24
65840021A
.CAP, GRIP UPPER
25
77156698B
Vis
26
77156678B
pc - Vis
27
65040062A
Handlebar switch (Right)
28
65610132A
THROTTLE TRANSMISSION
29
77250231A
pc - Vis
30
800066774
10 pc - .SCREW TCIC M4X0.7X8
31
59840113A
Clé Vierge

Узлы для