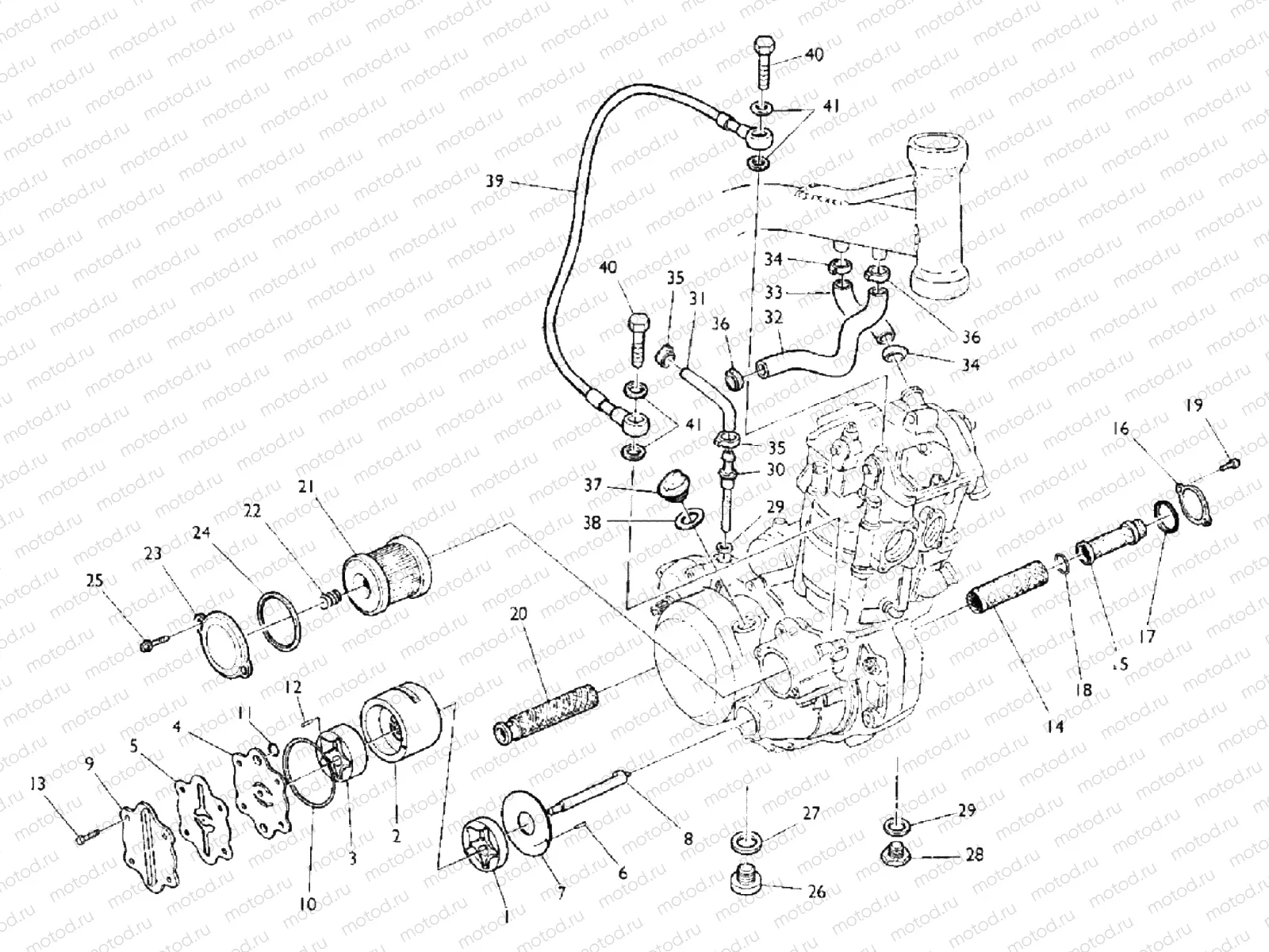
OIL SYSTEM

OIL SYSTEM
1
8540194
OIL PUMP KIT (BODY)
2
800073518
HOUSING, OIL PUMP
3
800082948
Pompe à huile
4
800084821
Couvrir
5
8000A1374
RETAINER, BEARING
6
8B0047773
ROLLER
7
800084819
Entretoise (Inner)
8
800084818
SHAFT OIL PUMP
9
80B075630
COVER OIL PUMP
10
800027073
Gasket
11
8A0023108
O RING 2037
12
8A0047773
ROLLER
13
0025060206
Vis
14
800072426
Filtre à huile (OUTER)
15
800072427
Filtre à huile (INNER)
16
800072425
OIL FILTER COVER
17
SPMV800034609
O-Ring
18
800026884
O-Ring
19
Z00067997
Vis
20
800074716
NET, FILTER
21
8000B0593
Filtre à huile
22
800085385
SPRING,OIL FILTER
23
80B078988
CASE,OIL FILTER
24
8A0028553
O-Ring
25
0025060206
Vis
26
800096747
OIL DRAIN PLUG M22X1.5
27
SPMV62N015682
pc - Rondelle (28x22,3x1mm)
28
800075415
OIL DRAIN PLUG M14X1.25
29
62N015678
Rondelle
30
800075293
NIPPLE M14X1.5
31
800088627
OIL HOSE
32
8000A5463
HOSE, OIL
33
800088626
OIL HOSE
34
8A0099475
Collier (8-12/22)
35
800099475
CLAMP HOP 8-10/18
36
800099475
CLAMP HOP 8-10/18
37
800049032
PLUG
38
SPMV800019789
pc - O-Ring
39
8000A8060
HOSE, OIL DELIVERY
40
800045183
BOLT, BRAKE HOSE M10X1.00X19
41
SPMV800021480
pc - WASHER, COPPER, D14XD10,2XE1

Узлы для