OIL PUMP Sport 400L W948540 (4927232723C011) | OIL PUMP Sport 400L W948540 (4927232723C011)

OIL PUMP Sport 400L W948540 (4927232723C011) | OIL PUMP Sport 400L W948540 (4927232723C011)
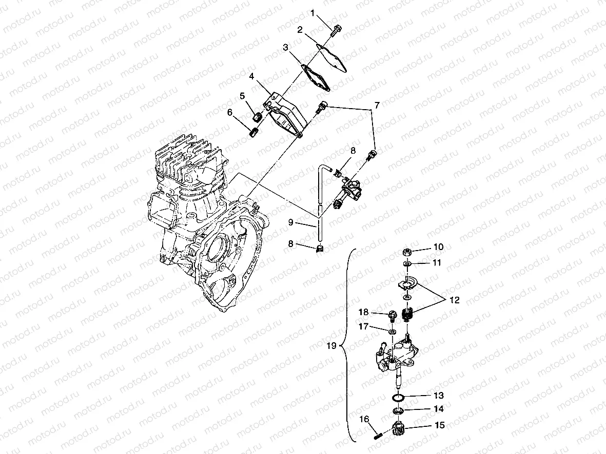
1
3084757
BOLT&WASHER ASM.
2
3084204
COVER (Oil Pump Case)
3
3084401
GASKET,OIL PUMP
4
3084756
"""CASE OIL PUMP"""
5
3086777
Damper
6
3084758
GROMMET Substituted by 3086779
7
3083783
ASM. SCREW & WASHER
8
3083141
CLAMP-HOSE
9
3084199
PIPE, RUBBER Substituted by 3086776
10
3083120
Nut
11
3083121
WASHER-SPRING
12
3085571
SPRING&LEVER SET(FOR 3085285)
13
3083127
O-Ring
14
3084195
Entretoise
15
3084196
WHEEL
16
3084197
PIN SPRING
17
3084194
Rondelle
18
3083125
SCREW-AIR VENT
19
3084755
PUMP, OIL (Incl. 10-18)

Узлы для