HEADLIGHT » LIGHTING SYSTEM

HEADLIGHT » LIGHTING SYSTEM
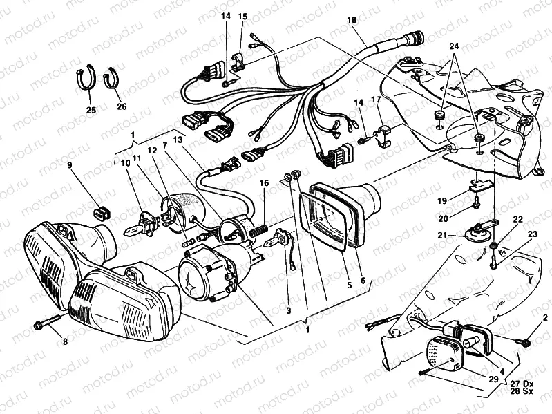
1
52040043A
Optique de phare
2
77156678B
pc - Vis
3
000079673
.BULB 12V 55W H3 HALOGEN
4
800036726
.BULB 12V 10W BA15S
5
52140101A
Gasket
6
52140071A
Couvrir
7
52140081A
HEADLIGHT COVER
8
77156722B
Vis (M6x35)
9
70010201A
pc - Damper
10
000079672
.BULB 12V 55W H1 HALOGEN
11
52140091A
HEADLIGHT COVER
12
800036230
.WEDGE BASE BULB 12V5W
13
51010821A
ELECTRIC WIRING
14
77156398B
Vis
15
82710891A
.RIGHT PLATE
16
79910641A
Spring
17
82710901AA
PIASTR. CONNETT.10 VIEPROG.2268-STSTR008
18
51010602A
HEAD LIGHT WIRING HARNESS
19
82710951A
.PLATE
20
77250968B
pc - Vis (M6x10)
21
51640011AB
.HORN
22
71610281A
SPACER
23
77250988B
pc - Vis
24
76410841A
Damper
25
74110121A
.CLAMP, RUBBER 62MM
27
800074505
Clignotant
28
800074504
Clignotant
29
53240011A
pc - Lentille clignotant

Узлы для