CRANKSHAFT » ENGINE CASE

CRANKSHAFT » ENGINE CASE
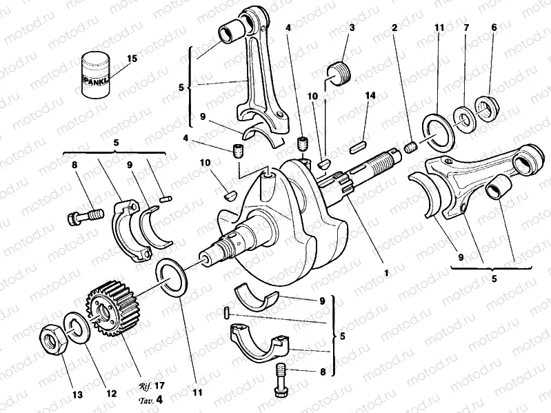
1
14620541A
CRANKSHAFT
2
77911092A
.SCREW, SPECIAL
3
89510041A
THREADED PLUG
4
77911092A
.SCREW, SPECIAL
5
15620191A
CONNECTING ROD
6
74810131A
Nut
7
79950012A
SPRING WASHER
8
77911141A
BOLT, CONNECTING ROD
9
11210121AA
Plane bearing - connecting rod
9
11210122AB
Plane bearing - connecting rod (Blue)
10
68010131A
pc - KEY, WOODRUFF 4X5X10
11
85210762A
pc - Rondelle (THRUST)
11
85210772A
Rondelle (THRUST)
11
85210782A
Rondelle (THRUST)
11
85211001A
pc - Rondelle (THRUST)
11
85211011A
Rondelle (THRUST)
12
85110191A
Rondelle (Lock)
13
75011611A
.NUT
14
075929190
.WOODRUFF KEY
15
944601833
GRASSO PANKL PLB19 BARAT.100GRPER BIELLE

Узлы для