HEADLIGHT » LIGHTING SYSTEM

HEADLIGHT » LIGHTING SYSTEM
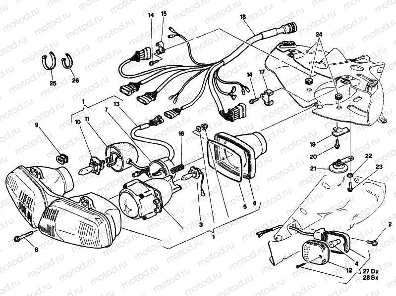
1
52040082A
COMPLETE HEADLIGHT
2
77156678B
pc - Vis
3
000079673
.BULB 12V 55W H3 HALOGEN
4
800036726
.BULB 12V 10W BA15S
5
52140101A
Gasket
6
52140071A
Couvrir
7
52140081A
HEADLIGHT COVER
8
77156722B
Vis (M6x35)
9
70010201A
pc - Damper
10
000079672
.BULB 12V 55W H1 HALOGEN
11
52140091A
HEADLIGHT COVER
12
53240011A
pc - Lentille clignotant
13
51010821A
ELECTRIC WIRING
14
77156398B
Vis
15
82710891A
.RIGHT PLATE
16
79910641A
Spring
17
82710901AA
PIASTR. CONNETT.10 VIEPROG.2268-STSTR008
18
51010602A
HEAD LIGHT WIRING HARNESS
19
82710951A
.PLATE
20
77250968B
pc - Vis (M6x10)
20
51640011AB
.HORN
22
71610281A
SPACER
23
77250988B
pc - Vis
24
76410841A
Damper
25
74110121A
.CLAMP, RUBBER 62MM
27
800074504
Clignotant
28
800074505
Clignotant

Узлы для