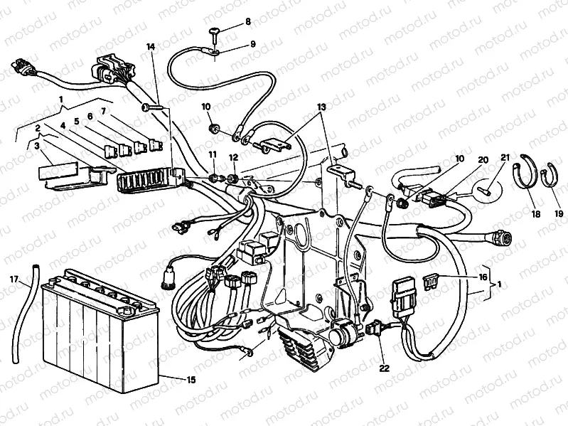
BATTERY DM 003097> » WIRING HARNESS

BATTERY DM 003097> » WIRING HARNESS
1
51010621C
ELECTRIC WIRING
2
24610541A
Couvrir
3
43311541A
SCHEMA FUSIBILI TRANSFER
4
38940061A
pc - Fusible (3A)
5
38940071A
pc - Fusible (7.5A)
6
38940081A
pc - Fusible (15A)
7
38940101A
pc - Fusible (30A)
8
77510622A
Vis (spec)
9
51310081B
CABLE
10
74941108B
5 pc - Nut
11
82110541A
.PIN
12
76410841A
Damper
13
82710771A
PLATE
14
000065535
Vis
15
39540101A
La batterie
16
38940051A
.FUSE 30A
17
87710551A
BATTERY BREATHER PIPE
18
74110131A
2 pc - . CLAMP, RUBBER 82MM
20
800066526
.CONNECTOR, 6 WAY
21
000066527
10 pc - .CONNECTOR, FEMALE
22
000056803
pc - . CONNECTOR

Узлы для