ENGINE MOUNTING 2x4 400L W947540 (4926752675A008) | ENGINE MOUNTING 2x4 400L W947540 (4926752675A008)

ENGINE MOUNTING 2x4 400L W947540 (4926752675A008) | ENGINE MOUNTING 2x4 400L W947540 (4926752675A008)
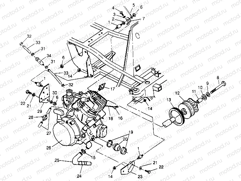
1
3022069
ISOLATOR-3/8-24M/M 65DURO
2
5430802
INSULATOR MOTOR MT.
3
7552901
Rondelle (Lock)
4
7515321
Vis
5
4010067
CABLE,GROUND/ENG.
6
7542411
NUT FLEXLOC
7
5222415-067
MOUNT,ENG.TOP
8
7512566
Vis
9
7575202
Rondelle (Lock)
10
5210748
Rondelle
11
5430261
BUSHING
12
LR--
CALIPER, BRAKE, RH
14
7542403
NUT LOCK
15
7080547
CLAMP,WORM DRIVE
16
5410346
INSUL.CABLE SOL.
17
3070156
Bougie d'allumage
18
4010064
CABLE SOLENOID/STARTER
19
7080511
CLAMP NARROW BAND
20
5410883
BOOT,CLUTCH INTAKE(400)
21
7552603
Rondelle (Lock)
22
7512490
Vis
23
1040231-067
MOUNT ENGINE
24
7041079
SPRING HOSE RETAINER
25
5410606
HOSE, LOWER ENG.
27
8360009-600
LINE FUEL 1/8 ID 600 CM.
28
7051011
VALVE CHECK
29
5240542-067
MOUNT, REAR MOTOR, BLK.
30
7555801
Rondelle
31
7080236
CLAMP-HOSE
32
7080571
STRAP,8 IN.TYTON
33
8450042-600
FUEL LINE,3/16 ID(600 CM.)
34
2530009
Filtre à carburant (IN-LINE)

Узлы для