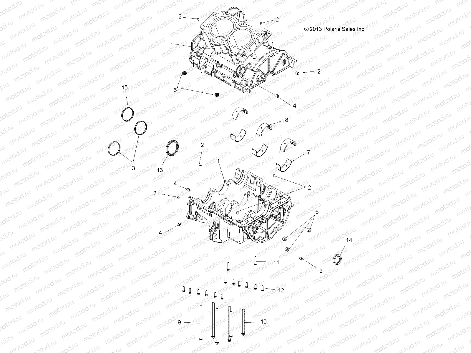
ENGINE | ENGINE, CRANKCASE - A14ZN8EAB/C/I/M/P/S (49ATVCRANKCASE14SPXP850)

ENGINE | ENGINE, CRANKCASE - A14ZN8EAB/C/I/M/P/S (49ATVCRANKCASE14SPXP850)
1
2204957
KIT-CRANKCASE 1204585
2
5132835
Dowel pin
3
3610144
SEAL-BALANCESHAFT W/FLNG 55MM
4
7052337
PLUG-1/8 NPT HX/SOC W/SEALANT
5
7052413
PLUG-3/8 NPT HX/SOC W/SEALANT
6
7518835
PLUG-HEX SOCKET 1/4X18 SEALANT
7
3514534
BEARING-MAIN REAR\FRONT 55MM
8
3514535
BEARING-MAIN CENTER 55MM
9
7518804
BOLT-M9X1.25X160 HXFLG
10
7518805
BOLT-M9X1.25X115 HXFLG
11
7518578
SCR-M6X35 HXFLG 0600214
12
7518576
SCR-M6X20 HXFLG 0600214
13
3610152
SEAL-CRANKSHAFT 55.7MM
14
3610220
SEAL-CRANKSHAFT 32MM W/FLNG

Узлы для