ENGINE | ENGINE, COOLING SYSTEM - A14ZN8EAB/C/I/M/P/S (49ATVCOOL13SPXP850)

ENGINE | ENGINE, COOLING SYSTEM - A14ZN8EAB/C/I/M/P/S (49ATVCOOL13SPXP850)
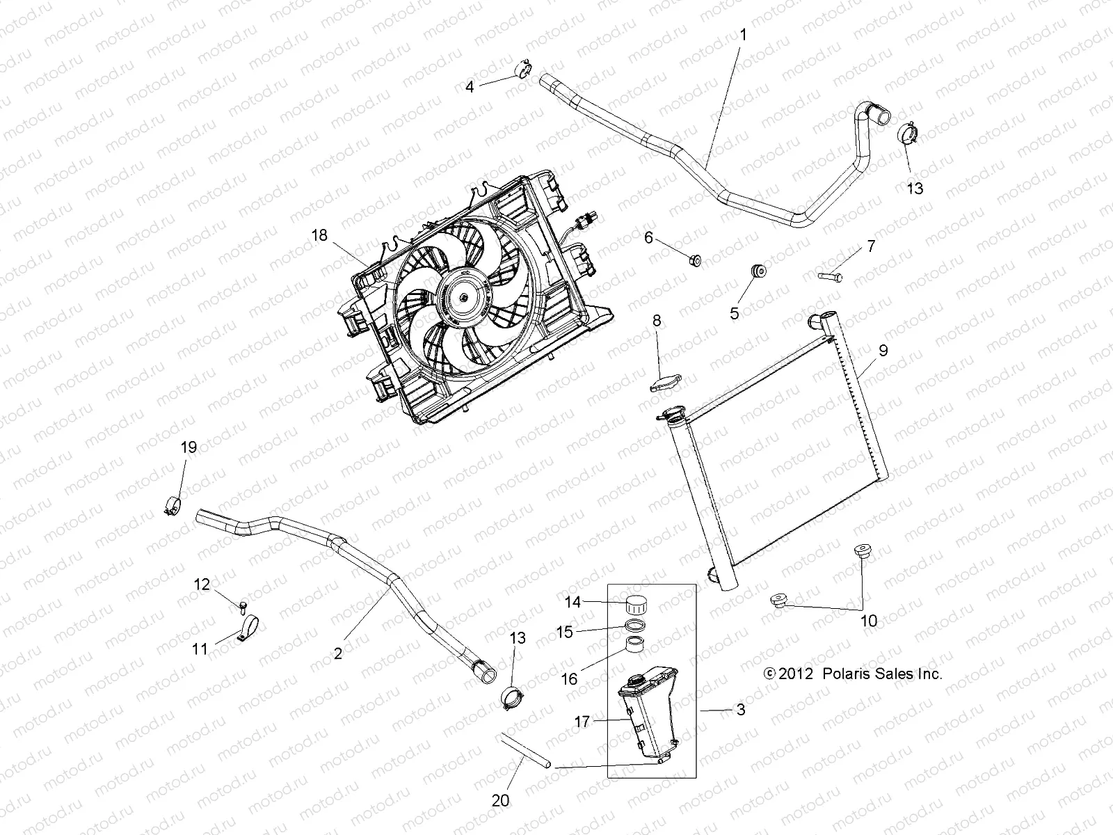
1
5414505
HOSE-RADIATOR ENGINE OUT 25MM
1
5414392
HOSE-RADIATOR ENGINE OUT 25MM
2
5414391
HOSE-RADIATOR ENGINE IN 25MM
3
1240406
ASM-BOTTLE COOLANT RECOVERY
4
7080844
CLAMP SPRINGBAND 35/12 BLK
5
5413509
ASM-GROMMET AND INSERT
6
7547274
NUT-M6 FLANGE NYLOK
7
7519202
SCR-HXFL-M6X1.0X30 RIE DGPNT
8
1240466
CAP-PRESSURE 13 PSI
9
1241437
ASM-RADIATOR 850 SPMN LED
9
1240404
RADIATOR-11 FPI 25MM FITTINGS
10
5413510
GROMMET-MOUNT LOWER RADIATOR
11
7080908
CLAMP HOSE 1.375 VNL ECOATED
12
7518513
BOLT-M6X1.0X15 HXFLG TAP/R-OD
13
7080843
CLAMP SPRINGBAND 32/12
14
5430743
CAP OVERFLOW
15
5810279
GASKET
16
5433774
CAP PLUG9X(GRN) FLEX TEMP
17
1240406
ASM-BOTTLE COOLANT RECOVERY
18
2415279
FAN-12 SHROUD SPMN LED
19
7081192
CLAMP-HOSE(WORM DR)25-40MM
20
8450128-27
LINE-COOLANT 27CM

Узлы для