CHASSIS | CHASSIS, MAIN FRAME - A14ZN8EAB/C/I/M/P/S (49ATVFRAME14SP550)

CHASSIS | CHASSIS, MAIN FRAME - A14ZN8EAB/C/I/M/P/S (49ATVFRAME14SP550)
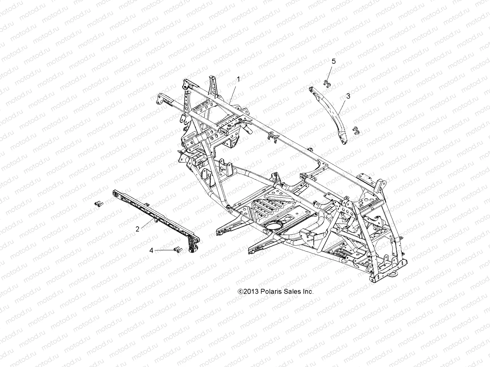
1
1019770-067
WELD-MAIN FRAME BLK
2
5135762-067
SUPPORT-FRAME UPPER RH MACH
3
5632013-067
SUPPORT-FRAME LOWER
4
7517358
Vis
5
7518700
BOLT-M10X1.5X20 HXHDFLG

Узлы для