ELECTRICAL | ELECTRICAL, CHARGER, FAST, 3KW - L17G2/4/6 ALL OPTIONS

ELECTRICAL | ELECTRICAL, CHARGER, FAST, 3KW - L17G2/4/6 ALL OPTIONS
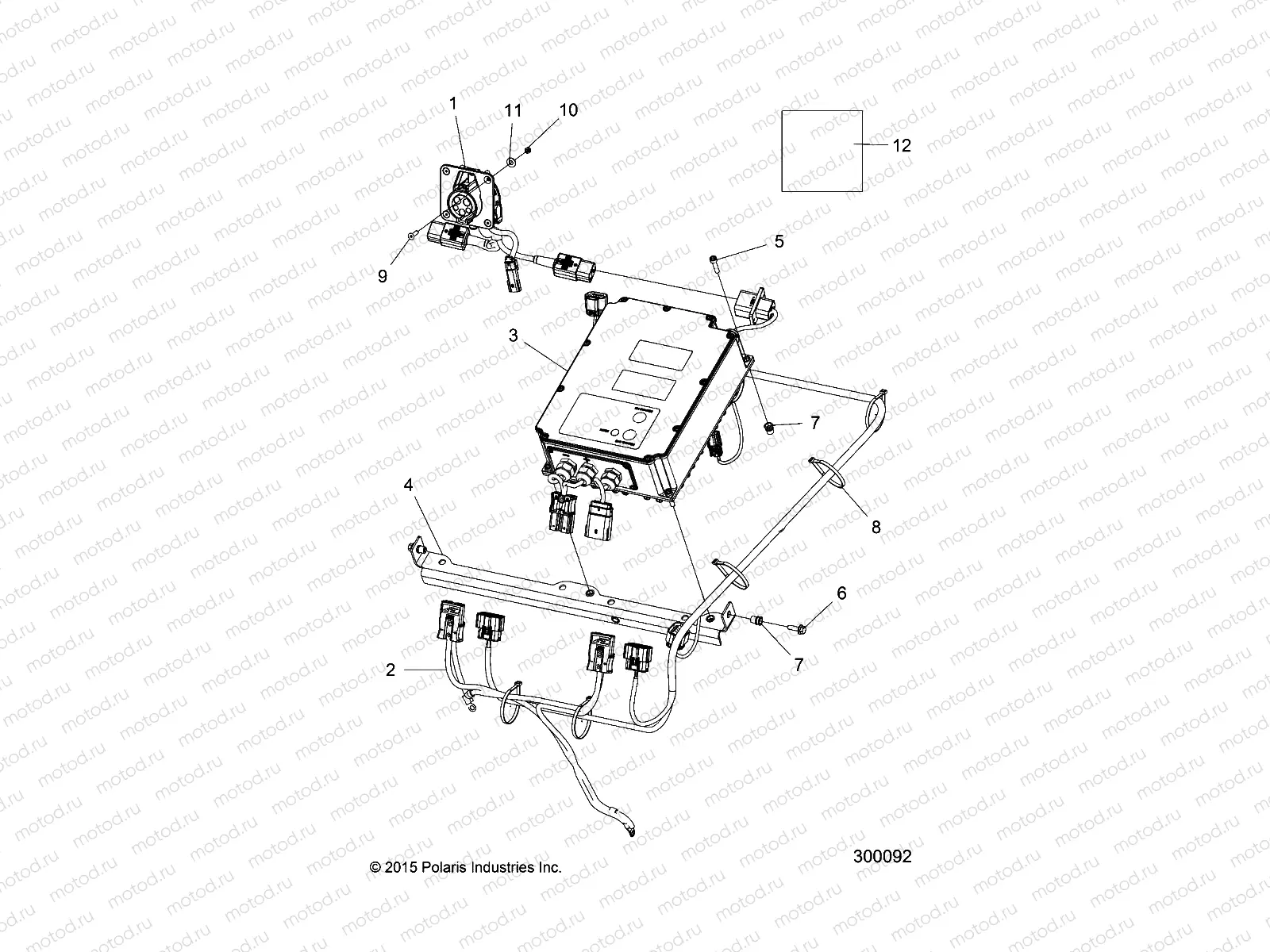
1
2413215
ASM-HARNESS CHARGER J1772
2
2413708
HARNESS-CHARGER FAST MAIN
2
2413709
HARNESS-CHARGER FAST FRONT
3
4015434
CHARGER-FAST 3KW
4
5260931-458
BRKT-CHARGER FRONT BLK
5
7517638
Vis
6
7518613
BOLT-M6X1.0X20 HXFLG OLIVE D
7
7547789
NUT-RIVNUT M6X1.00
8
7080492
CABLE TIE 11 INCH
9
7518546
Vis
10
7547453
NUT-HXFL-M6X1.0 8 ZB3 NYL
11
7558203
Rondelle
12
2413420
STATION-CHARGE PCS-15 1.4KW

Узлы для