ELECTRICAL | ELECTRICAL, 5KW MOTOR, STANDARD - L17G2/4/ EURO

ELECTRICAL | ELECTRICAL, 5KW MOTOR, STANDARD - L17G2/4/ EURO
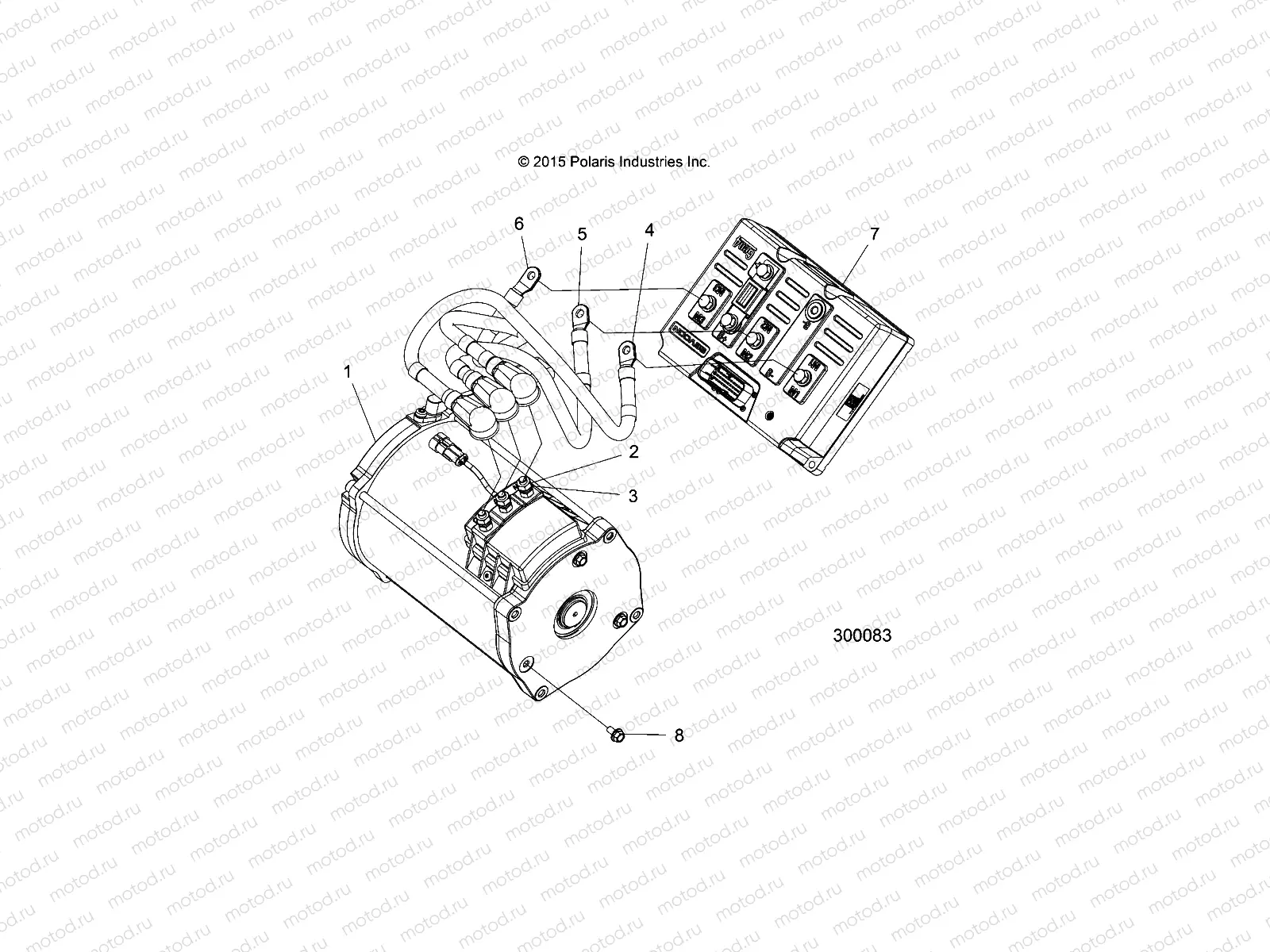
1
2412919
ASM-MOTOR AC 5KW
1
4016654
SENSOR-SPEED MOTOR
2
3022854
NUT-MOTOR (27013)
3
3022855
WASHER-MOTOR (27012)
4
4015487
CABLE-MOTOR U M1
5
4015488
CABLE-MOTOR V M2
6
4015489
CABLE-MOTOR W M3
7
4015643
CNTRLR-MOTOR SIZE4 UNPROG
8
7519145
SCR-HXFL-M6X1.0X12 8.8 ZOD P30

Узлы для