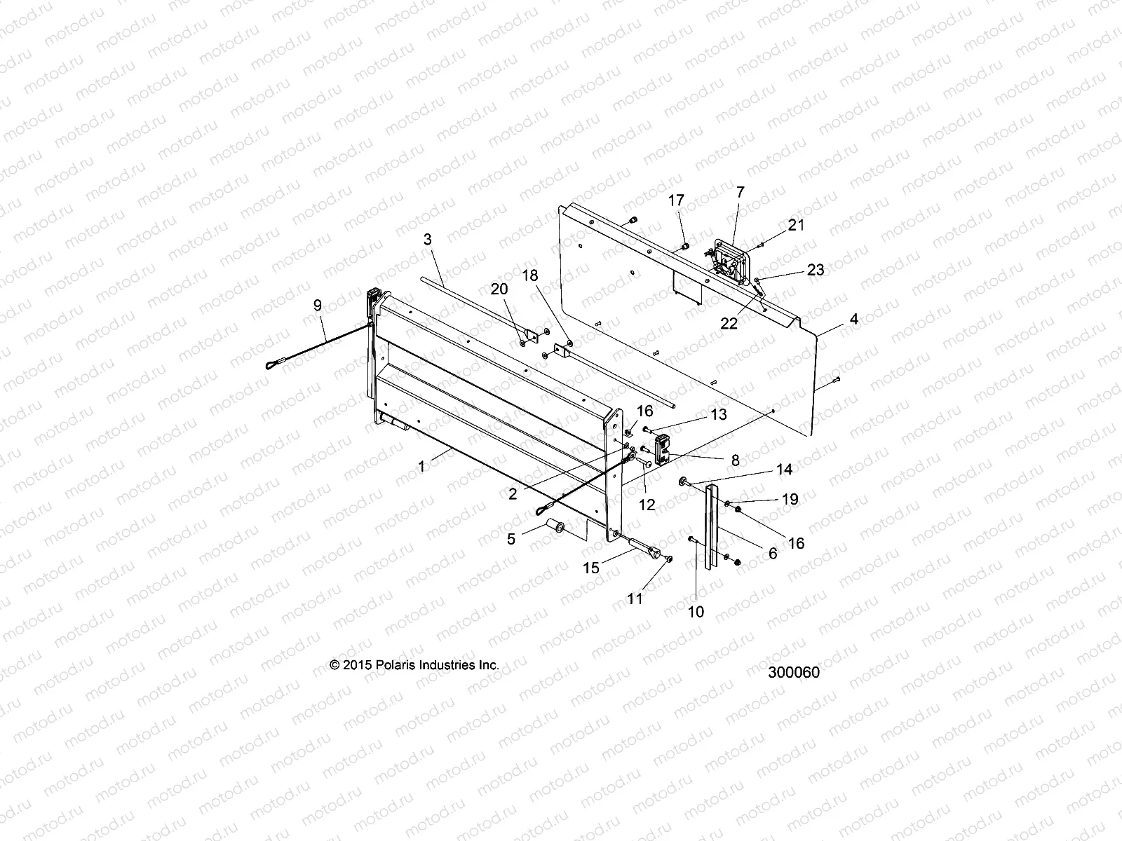
BODY | BODY, TAILGATE, HINGED - L17G2D

BODY | BODY, TAILGATE, HINGED - L17G2D
1
7185017
DECAL-TAILGATE LIMIT BED
1
1022528
ASM-TAILGATE HINGED
1
1021911-458
WELD-TAILGATE BLK
2
5136905
SPACER-.265IDX.375ODX.105
3
5140147
ROD-TAILGATE
4
5261706
BRKT-SKIN
5
5452061
BUSHING-TAILGATE
6
5510855
BRKT-CHANNEL REAR
7
7081380
LATCH-PADDLE TAILGATE
8
7081568
LATCH-SLAM TAILGATE
9
7082076
CABLE-TAILGATE
10
7518546
Vis
11
7518936
SCR-M6X1X16 TR/TX-M
12
7519001
SCR-M6X1X40 TR/TX-M
13
7519205
SCR-#14X3/4 HI/LO-PH-PN TRX-M
14
7519942
SCR-TXTH-M6X1.0X25 RIE SHDR
15
7520316
PIN-TAILGATE MOUNT
16
7547339
NUT-M6X1.0 FLG-NYLOC-OLIVE D
17
7547789
NUT-RIVNUT M6X1.00
18
7555748
Rondelle
19
7558203
Rondelle
20
7558301
WASHER FLAT
21
7621323
POP RIVET
22
7661644
PIN HITCH
23
7662113
RVT-BLND 3/16 3/8HD 1/4-3/8

Узлы для