DRIVE LINE | DRIVE LINE, GEARCASE and MOUNTING - L17G2/4/6 ALL OPTIONS

DRIVE LINE | DRIVE LINE, GEARCASE and MOUNTING - L17G2/4/6 ALL OPTIONS
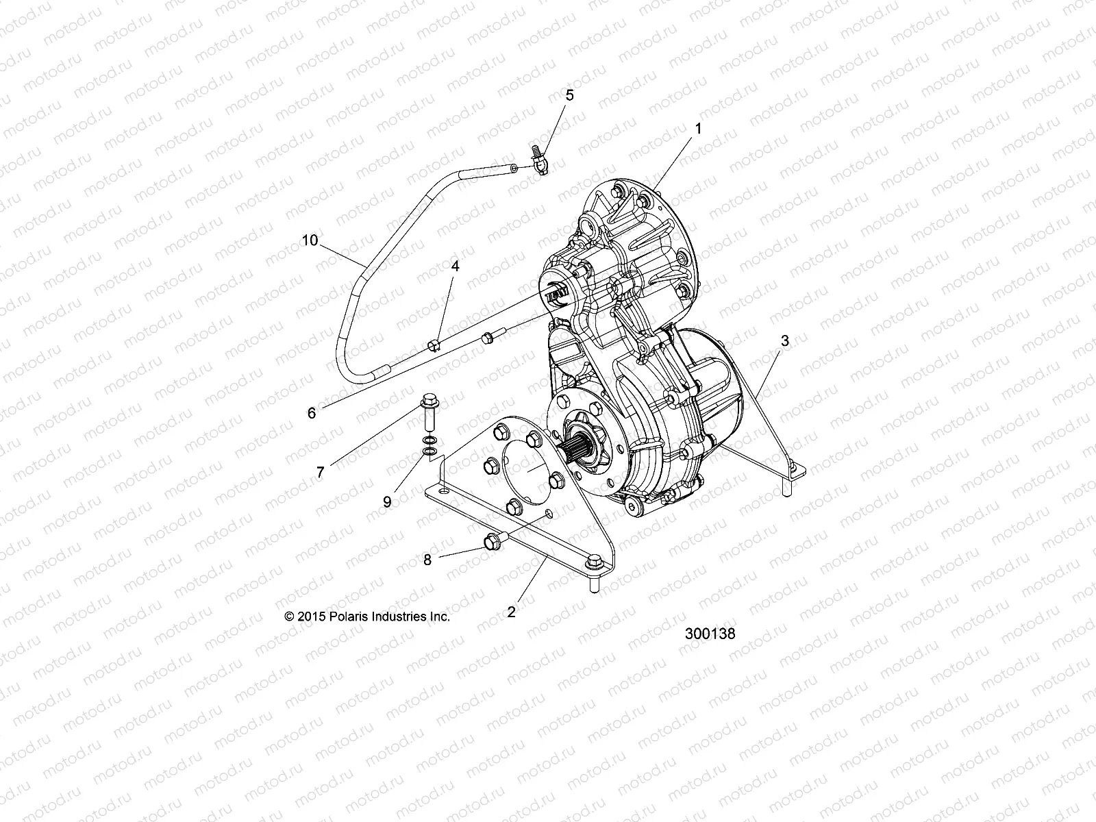
1
1333336
ASM-GEARCASE
2
5262112-458
BRKT-GEARCASE LH BLK
3
5262113-458
BRKT-GEARCASE RH BLK
4
7080307
CLAMP HOSE
5
7081496
CLIP-ROUTING
6
7516823
Vis
7
7518334
SCR-M10X1.50X35 HX/FL-Y/D
8
7517632
Vis
9
7555820
WASHER FLAT
10
8450003-1525
LINE FUEL 1/4 ID(1525 CM.)

Узлы для