ELECTRICAL | ELECTRICAL, BATTERY, LI-ION, 8.9KW - L17G4/E6 ALL OPTIONS

ELECTRICAL | ELECTRICAL, BATTERY, LI-ION, 8.9KW - L17G4/E6 ALL OPTIONS
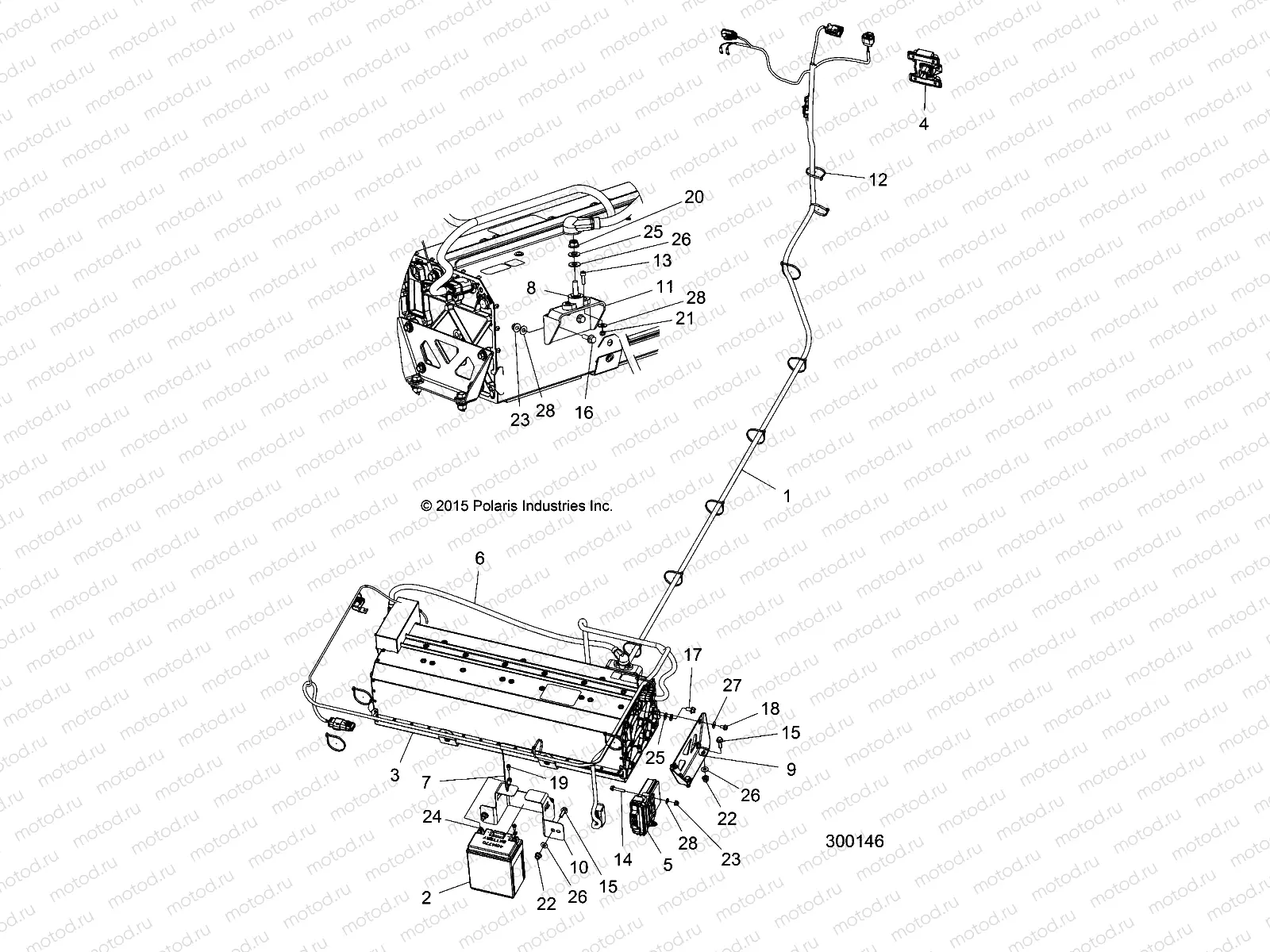
1
4011284
RELAY-SPDT SERIES 301 SEALED
1
2413374
ASM-HARNESS LITHIUM E4
2
4014770
La batterie
3
4015495
La batterie
3
4017366
COSLIGHT-BRAMMO BAT-44V LI 8.9
4
4016193
ECU-UNPROGRAMMED BMC
5
4015619
MODULE-BTRY BRAMMO PR
6
4015891
CABLE-BTRY LI-ION POS LONG
7
4015893
CABLE-BTRY LI-ION NEG 12V
8
4016008
TERMINAL-POS
9
5261281-329
BRKT-BATTERY SUPPORT BLK
10
5261942-458
BRKT-BTRY HOLD BLK
11
5261943
BRKT-TERMINAL MOUNT
12
7080492
CABLE TIE 11 INCH
13
7516610
SCREW SOCHD M5X16
14
7516827
Vis
15
7518514
BOLT-M8X1.25X25 HXFLG-OLIVE D
16
7518613
BOLT-M6X1.0X20 HXFLG OLIVE D
17
7520454
SCR-HH-M8X1.25X20 A2 EP
18
7519145
SCR-HXFL-M6X1.0X12 8.8 ZOD P30
19
7520056
SCR-PHHX-M6X1X12 LPS BATTERY
20
7542334
NUT
21
7546601
NUT NYLOK
22
7547332
NUT-M8X1.25 FLG NYLOC-OLIVE D
23
7547339
NUT-M6X1.0 FLG-NYLOC-OLIVE D
24
7547732
NUT-RECT M6X1 LPS BATTERY
25
7552603
Rondelle (Lock)
26
7555954
Rondelle
27
7556064
Rondelle
28
7558203
Rondelle

Узлы для