DRIVE TRAIN | DRIVE TRAIN, MAIN GEARCASE MOUNTING - Z146T1EAM/EAW (49RGRTRANSMTG14RZR1000)

DRIVE TRAIN | DRIVE TRAIN, MAIN GEARCASE MOUNTING - Z146T1EAM/EAW (49RGRTRANSMTG14RZR1000)
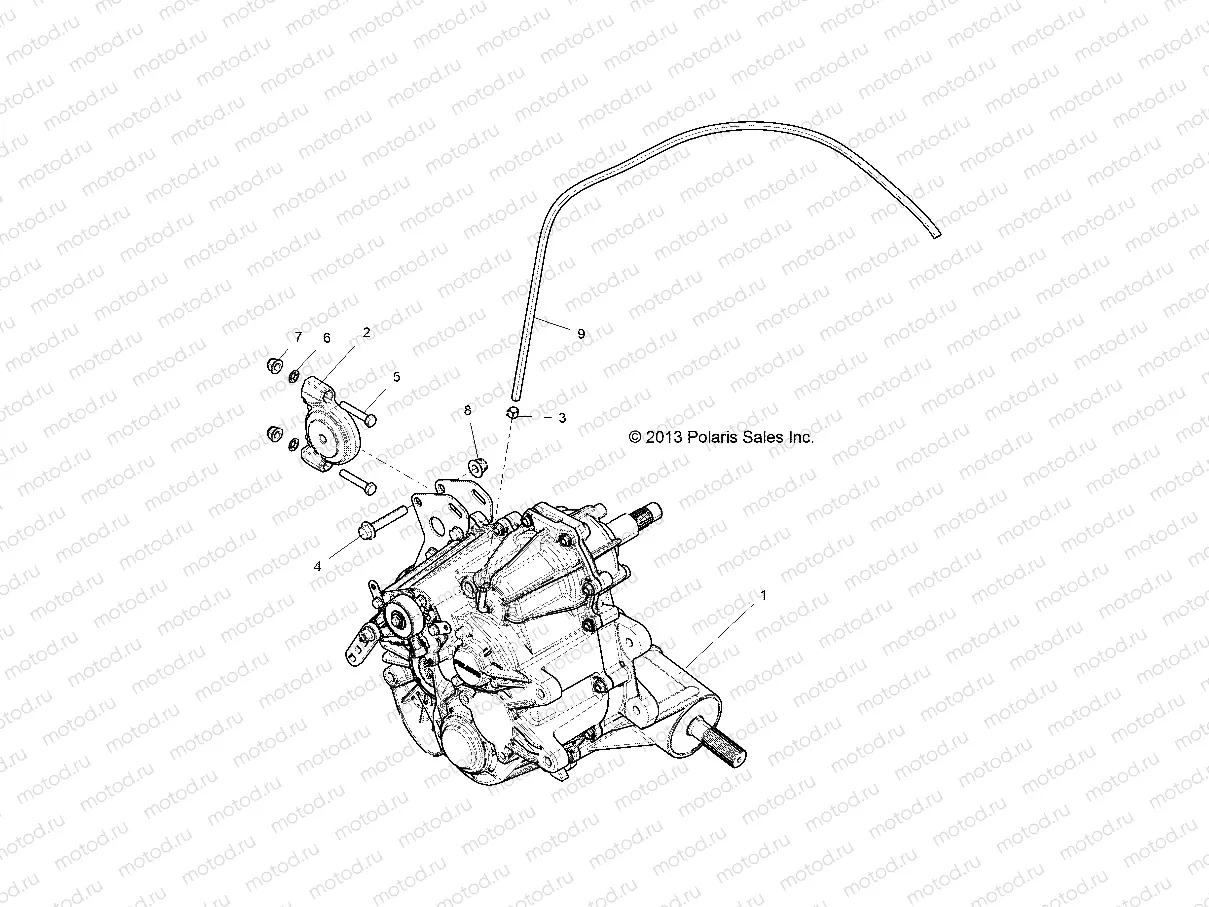
1
1333121
ASM-GEARCASE COMPLETE
2
1333242
MOUNT-ISOLATOR 70 DURO
3
7080307
CLAMP HOSE
4
7518563
BOLT-M10X1.25X60 HXFLG-OLIVE D
5
7519097
SCR-HH M8X1.25X45 8.8 ZOD
6
7547030
PALNUT
7
7547332
NUT-M8X1.25 FLG NYLOC-OLIVE D
8
7547333
NUT-M10X1.25 FLG NYLOC-OLIVE D
9
8450003-1525
LINE FUEL 1/4 ID(1525 CM.)

Узлы для