CHASSIS | CHASSIS, CAB FRAME - Z146T1EAM/EAW (49RGRCAB1410004)

CHASSIS | CHASSIS, CAB FRAME - Z146T1EAM/EAW (49RGRCAB1410004)
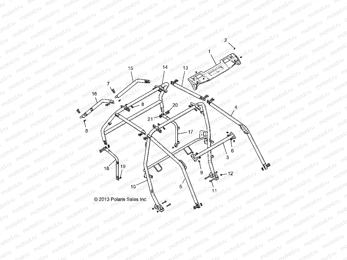
1
5450657-070
PANEL-VISOR TRIM BLK
2
7519650
SCR-TXTH-M6X1.0X25 RIE
3
1020755-458
WELD-ROPS FRONT CROSS BLK
4
1020052-458
WELD-ROPS MP LH BLK
5
1020053-458
WELD-ROPS MP RH BLK
6
7519905
SCR-HXFL-M10X1.5X20 10.9 RIE P
7
7519906
SCR-HXFL-M10X1.5X45 10.9 RIE
8
7547658
NUT-HEX-M10X1.5 8 ZB3 NYL
9
7547674
NUT-M6-1.0 U-TYPE (2.5-3.8)(10
10
1022059-458
WELD-HOOP ROPS MID MP M BLK
11
7519903
SCR-HXFL-M10X1.5X65 10.9 RIE
12
7547268
NUT-NYLOC M10X1.5 REF
13
1020057-458
WELD-BRACE ROPS MID BLK
14
1022058-458
WELD-HOOP ROPS REAR MP M BLK
15
1020055-458
WELD-ROPS REAR MP LH BLK
16
1020056-458
WELD-ROPS REAR MP RH BLK
17
1019403-458
WELD-BOLSTER LH BLK
18
1019404-458
WELD-BOLSTER RH BLK
19
7518450
BOLT-M8X20-1.25 HX HD FLG
20
7519956
SCR-HXFL-M10X1.25X55 10.9 RIE
21
7547333
NUT-M10X1.25 FLG NYLOC-OLIVE D

Узлы для