CRANKSHAFT - CYLINDER

CRANKSHAFT - CYLINDER
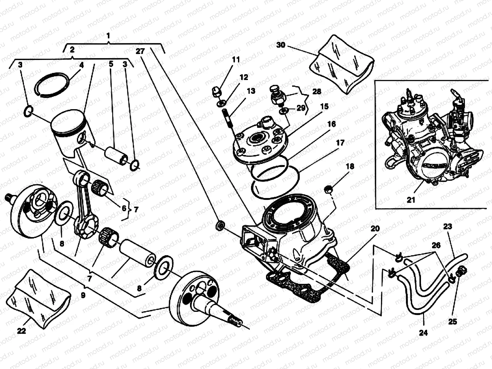
1
8000A1242
CYLINDER ASSY
2
8000997492
PISTON ASSY C-D 53.950-53.960
2
8000997491
PISTON ASSY A-B 53.940-53.950
2
8000997493
PISTON ASSY E-F 53.960-53.970
3
800010314
CLIP, PISTON PIN
4
800099750
PISTON RING
5
800083066
Piston pin
6
800083071
ROLLER BEARING 19-15-17
7
800088810
Connecting rod
8
800050629
WASHER 41X24.05
9
800094658
CRANKSHAFT
9
800092910
CRANKSHAFT
11
61N115095
Hutmutter
12
SPMV800039335
Gasket
13
800070627
Stud bolt
15
800086981
Cylinder head
16
800039630
Joint culasse (O-RING)
17
800070635
Joint culasse (O-RING)
18
SPMV80B043928
pc - NUT,M8X1.25
20
800083068
Joint d'embase cylindre (0,3 mm)
20
8B0083068
Joint d'embase cylindre (0,5 mm)
20
8A0083068
Joint d'embase cylindre (0,4 mm)
21
8000A1240
Engine assy
22
800094652
GASKET SET, ENGINE
23
800083056
HOSE, BREATHER
24
8A0083056
HOSE, BREATHER
25
800079560
PLUG
26
800040433
Collier
27
SPMV800064296
pc - RETAINER, AXLE, CLUTCH DRIVER
28
800067625
THERMISTORE
29
62N015676
Rondelle (17x10.2x1)
30
800094653
OIL SEAL SET, ENGINE

Узлы для