COOLING SYSTEM

COOLING SYSTEM
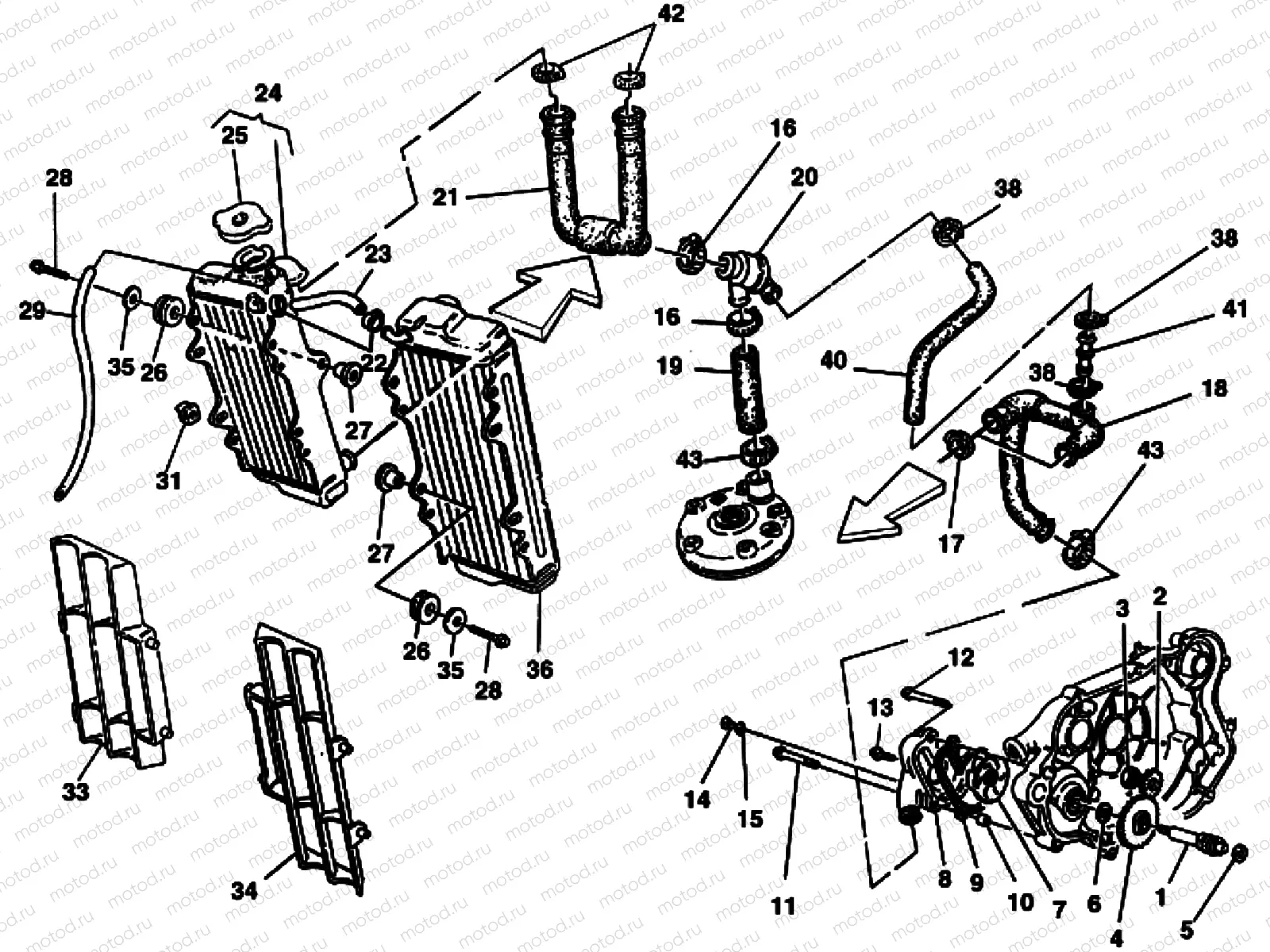
1
800079561
PUMP ROD
2
800065923
GEAR, WATER PUMP DRIVE
3
8A0004883
Nut
4
800065935
GEAR IMPELLER SHAFT
5
8E0034292
WASHER 14X8.2
6
8F0028960
WASHER 16X10
7
800068277
IMPELLER, WATER PUMP
8
80B083024
HOUSING, WATER PUMP
9
800065922
Gasket - water pump
10
161795501
BUSH 8X6.4X6
11
Z00062731
Vis
12
8B0067545
L.H. Screw (M6x55mm)
13
0025060206
Vis
14
ZS0067545
Vis
15
800003271
WASHER 11X6.1X1
16
8B0099475
CLAMP HOP 8-12/22
17
800046881
CLAMP 14/24 MM
18
800094131
HOSE-COOLING, RADIATOR-PUMP
19
800094682
HOSE-COOLING CYLINDER HEAD THE
20
800075984
Thermostat
21
800094681
WATER PIPE, THERMOSTAT COOLER
22
800056462
Collier
23
947200019
Schlauch 7x12
24
8000A7970
RADIATOR, WATER,RH
25
800079077
CAP, RADIATOR TOYO
26
800059803
Damper
27
8D0059802
SPINDLE, TAPER
28
Z00062729
Vis
29
947200006
HOSE, RUBBER
31
U00060873
Clip nuts
33
8000A0872
RADIATOR GRID
34
8000A0872
RADIATOR GRID
35
Z00059801
Rondelle
36
8000A7971
Radiateur - refroidisseur d’eau (LH)
38
800099475
CLAMP HOP 8-10/18
40
800090614
WATER PIPE
41
800094680
JOINT, HOSE
42
8A0099475
Collier (8-12/22)
43
8B0099475
CLAMP HOP 8-12/22

Узлы для