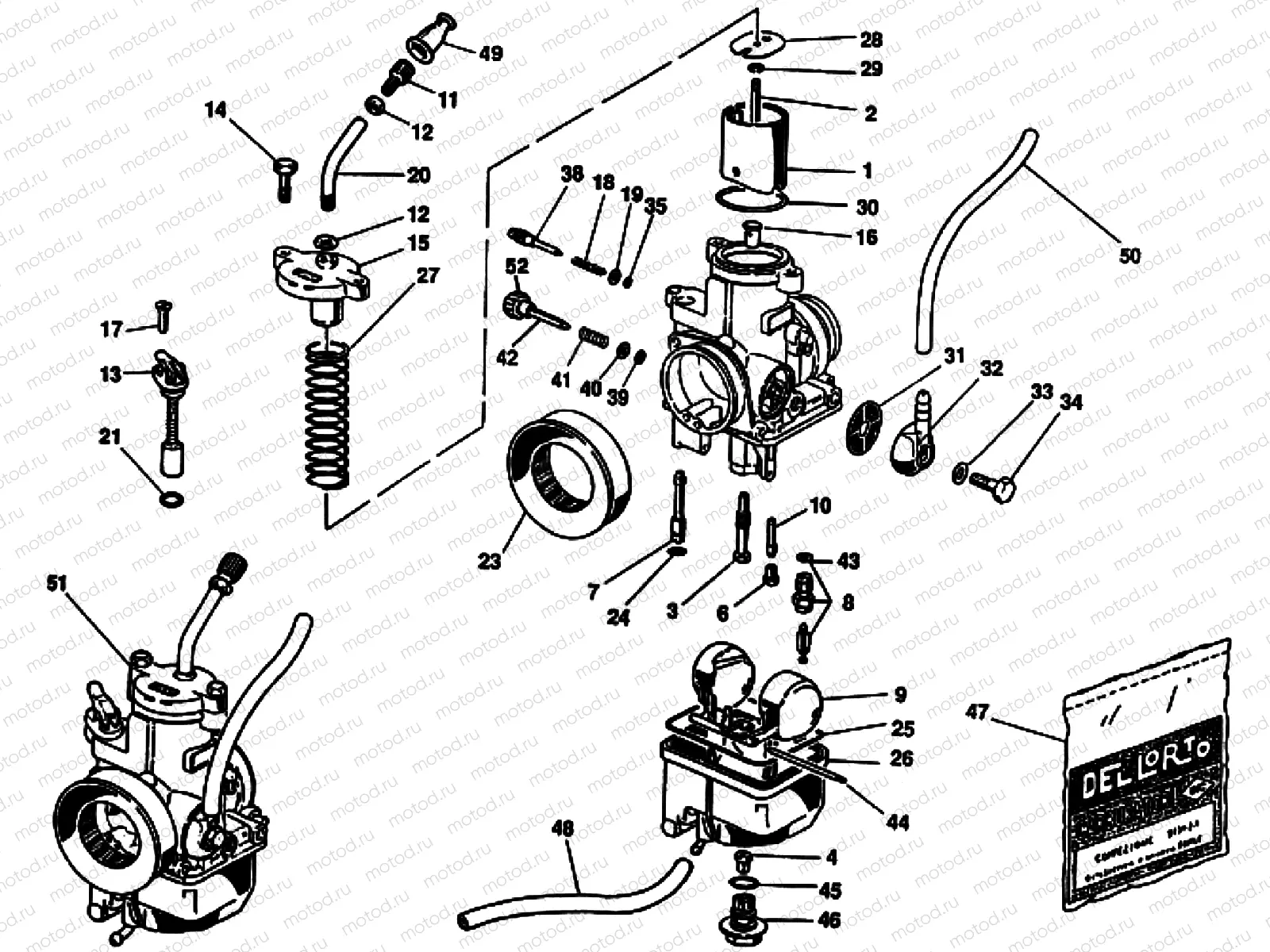
CARBURATEUR

CARBURATEUR
1
80C036681
Throttle valve (50)
1
80D036681
THROTTLE VALVE
2
80T036683
CONICAL NEEDLE X3
3
8G0049525
JET, NEEDLE BN266
3
8B0049525
JET, NEEDLE BN264
4
80G012041
MAIN JET 125
4
80A012041
MAIN JET NO. 110
6
8B0087148
IDLE JET,
7
80F012032
STARTER JET NO. 65
8
800030794
Needle valve (300)
9
80C035357
FLOAT 9.5 G
10
80B063846
EMULSIFIER
11
800051986
Vis
12
800051987
Nut
13
800032854
STARDER DEVICE
14
800023981
Vis
15
800036685
VALVE COVER
16
800087150
SPRAY NOZZLE
17
800032855
Vis
18
800050472
Spring
19
800023985
Rondelle
20
800057401
TUBE
23
800036687
AIR INLET HORN
26
800064168
FLOAT CHAMBER
27
800090682
SPRING THROTTLE VALVE
28
800036682
Plate
29
800035353
Retainer
31
800012045
FILTER
32
800044059
FUEL TUBE JOINT
34
800012048
Vis
38
800012033
Vis
40
800023983
Rondelle
41
800012030
Spring
42
800012029
SCREW THROTTLE
44
800012037
PIN, FLOAT
46
800049531
PLUG
47
800064170
GASKET SET, CARBURETOR
48
8B0055507
Pipe
48
8D0055507
HOSE 3X5X405
49
800058660
CAP
50
800052078
HOSE, BREATHER
51
800094657
Carburettor
52
800057413
KNOB

Узлы для