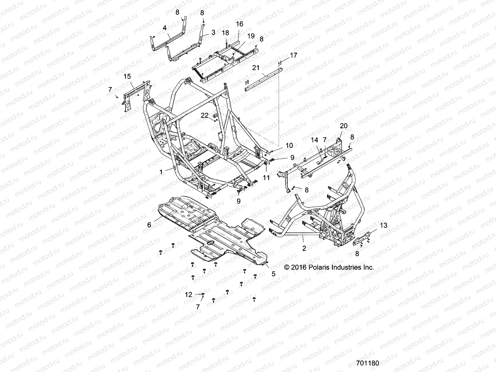
CHASSIS | CHASSIS, MAIN FRAME AND SKID PLATES - Z17VDE99FM/S99FM/CM (701180)

CHASSIS | CHASSIS, MAIN FRAME AND SKID PLATES - Z17VDE99FM/S99FM/CM (701180)
1
1023022-458
WELD-MAIN FRAME RZR 64T TR BLK
1
1021247-458
WELD-MAIN FRAME BLK
2
1022399-458
WELD-MAINFRAME FRT SWAY BLK
3
5260947-329
BRKT-BOX STRAP BLK
4
5260948-329
BRKT-BOX SUPPORT REAR BLK
5
5456432-070
PLATE-SKID BLK
6
5452063-070
PLATE-SKID REAR BLK
7
7518529
SCR-M6X1.0X20 HXHD FLG TDFM BL
8
7518555
BOLT-M8X1.25X20 HXFLG TAP/R-OD
9
7519285
SCR-HXFL-M10X1.25X55 10.9 ZOD
10
7519332
SCR-HXFL-M10X1.25X40 8.8 ZOD
11
7547333
NUT-M10X1.25 FLG NYLOC-OLIVE D
12
7556065
WASHER SKID PLATE
13
5259449-458
BRKT-SUSP MNT FRT M.BLK
14
5257304-329
BRKT-DIN MNT BLK
15
1019529-458
WELD-SUPPORT REAR BLK
16
1020571-329
ASM-SEAT BASE BLK
17
7516732
Vis
18
7518474
BOLT-M10X1.5X55 HX HD FLG
19
7519650
SCR-TXTH-M6X1.0X25 RIE
20
1020984-329
WELD-DASH E-COAT BLK
21
5260539-329
BRKT-CLOSE OFF SUPPORT BLK
22
7547332
NUT-M8X1.25 FLG NYLOC-OLIVE D

Узлы для