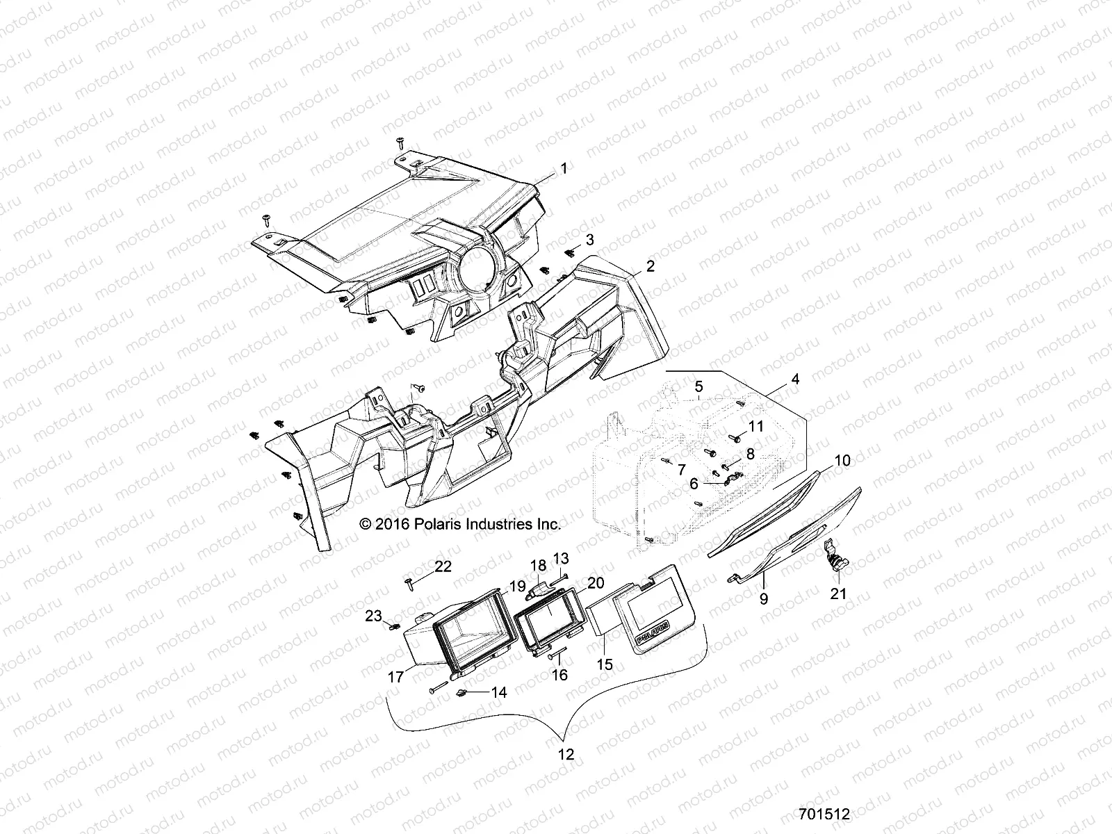
BODY | BODY, DASH AND GLOVEBOX - Z17VDE99FM/S99FM/CM (701512)

BODY | BODY, DASH AND GLOVEBOX - Z17VDE99FM/S99FM/CM (701512)
1
2634956-070
ASM-UPPER IP BLK
2
2636541-070
ASM-LWR IP, WARNDECAL, TR, BLK
2
2636048-070
ASM-LWR IP WARNDECAL MD BLK
3
7519806
CLIP-DASH TRIM METAL
4
2635460
ASM-GLOVE BOX
5
2635460
ASM-GLOVE BOX
6
5259660
BRKT-GLOVEBOX LATCH
7
7512026
Vis
8
7518641
SCR-WSHRPNHD 10-16 HILO
9
5451897-070
DOOR-GLOVEBOX TPO BLK
10
5415208
SEAL-GLOVEBOX
11
7519342
SCR-TFHFL-M6X1.0X25 ZOD
12
2635161
ASM-DOUBLE DIN
13
5451236
PIN-HINGE DIN BOX
14
5412981
PLUG-COMPARTMENT
15
5814055
FOAM-DOUBLE DIN
16
5439091
PIN-HINGE GLOVEBOX
17
5439789-070
PANEL-DOUBLE DIN BLK
18
5450654
LATCH-LID DIN
19
5522021
SEAL-DIN OUTER
20
5522022
SEAL-DIN INNER
21
7081425
LATCH-1/4 TURN CAM
22
7519650
SCR-TXTH-M6X1.0X25 RIE
23
7547674
NUT-M6-1.0 U-TYPE (2.5-3.8)(10

Узлы для