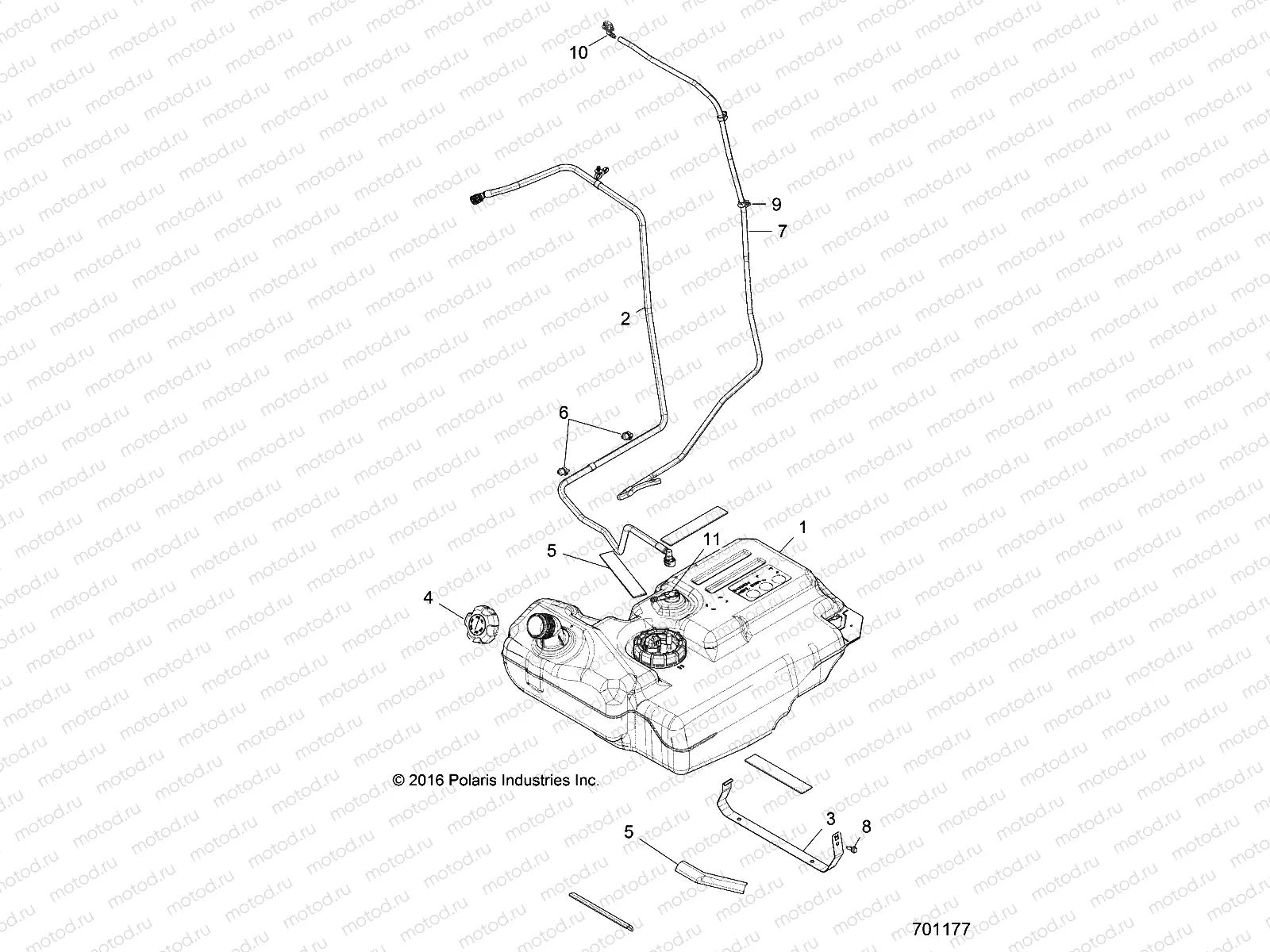
BODY | BODY, FUEL TANK - Z17VDE99FM/S99FM/CM (701177)

BODY | BODY, FUEL TANK - Z17VDE99FM/S99FM/CM (701177)
1
2208591
K-FUEL PUMP
1
2522377
ASM-FUEL TANK MIOP
2
2521435
ASM-FUEL LINE
3
5259555-329
STRAP-FUEL TANK BLK
4
5439075
Fuel cap
5
5810290
PAD BATTERY
6
7081496
CLIP-ROUTING
7
2521749
ASM-VENT LINE 180CM
8
7518529
SCR-M6X1.0X20 HXHD FLG TDFM BL
9
7670116
CLIP ROUTING .472 B.D. HINGED
10
5453464
FITTING-VENT LINE 90

Узлы для