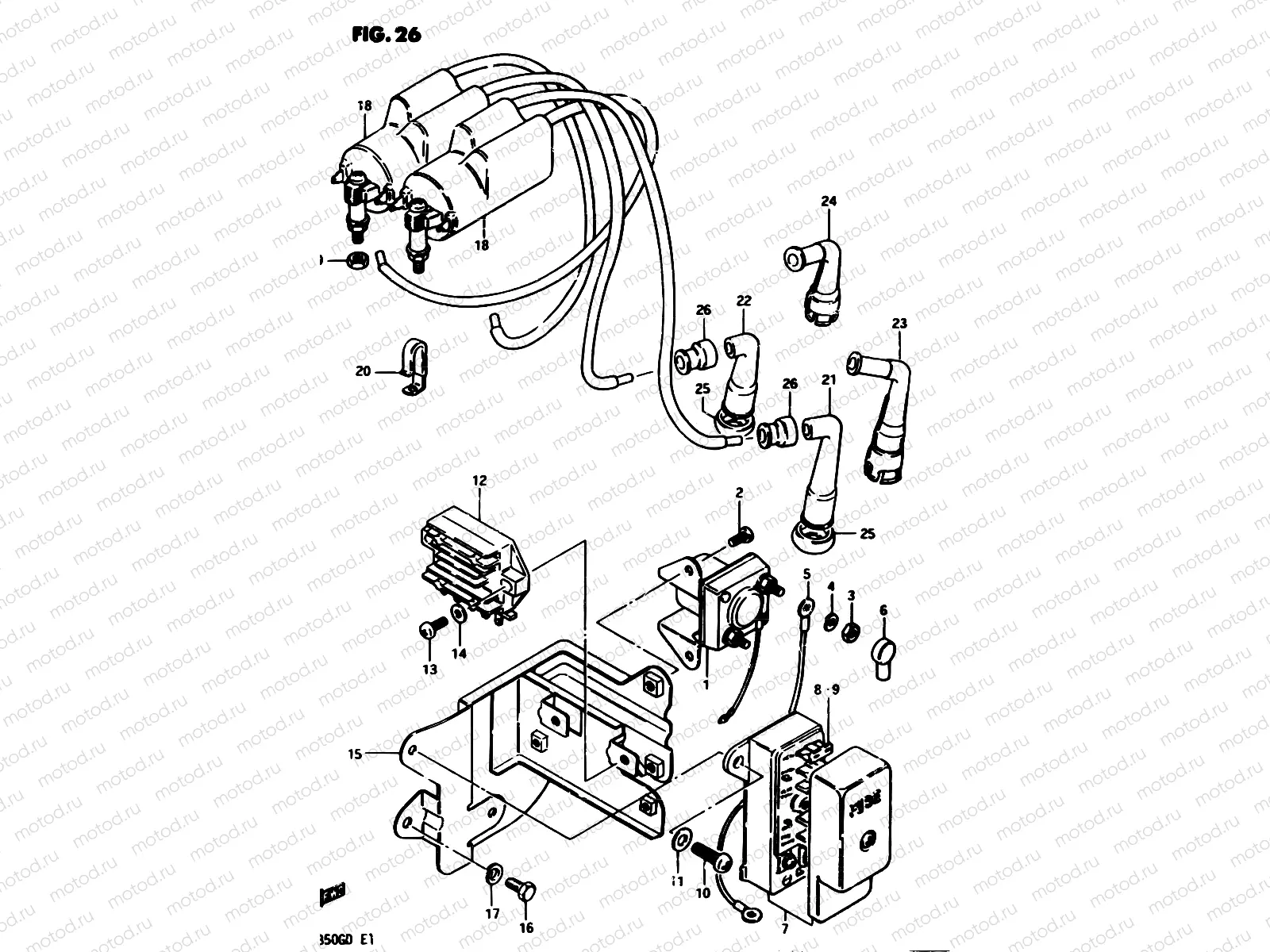
26 - ELECTRICAL (MODEL D)

26 - ELECTRICAL (MODEL D)
1
31800-37021
Relay Assy,starting Motor
5 573 ₽/шт
2
02112-0610B
Винт
81 ₽/шт
3
08310-00067
Гайка
81 ₽/шт
4
08321-01067
Шайба, стопорная
81 ₽/шт
5
33850-00A01
WIRE,STARTER MOTOR LEAD
2 444 ₽/шт
6
31861-48B10
Крышка
344 ₽/шт
6
31861-49400
Cap, terminal
7
36740-45D00
Box assy, fuse
8
09481-10010-025
Fusible (10A)
9
09481-10015-025
Fusible (15A)
10
02112-06127
Болт
81 ₽/шт
10
02122-0612B
Болт
82 ₽/шт
11
08322-0106A
Шайба
81 ₽/шт
12
32800-33401
Régulateur de tension
13
02112-06207
ШАЙБА
85 ₽/шт
14
08322-0106A
Шайба
81 ₽/шт
15
47410-45120
Plate, parts holder
16
01500-06127
Болт
81 ₽/шт
17
08321-01067
Шайба, стопорная
81 ₽/шт
18
33410-31311
COIL ASSY,IGNITION
14 195 ₽/шт
19
08310-00067
Гайка
81 ₽/шт
20
09403-06329
Clamp
2 030 ₽/шт
21
33510-45010
Колпачок свечи зажигания
2 988 ₽/шт
22
33510-43010
Свечной колпачок
2 040 ₽/шт
23
33510-45600
Свечной колпачок
3 949 ₽/шт
24
33510-44600
Cap, spark plug (s)
25
33541-69010
Уплотнение свечи зажигания
517 ₽/шт
26
33542-38B00
Уплотнение
162 ₽/шт

Узлы для