2 - CYLINDER HEAD

2 - CYLINDER HEAD
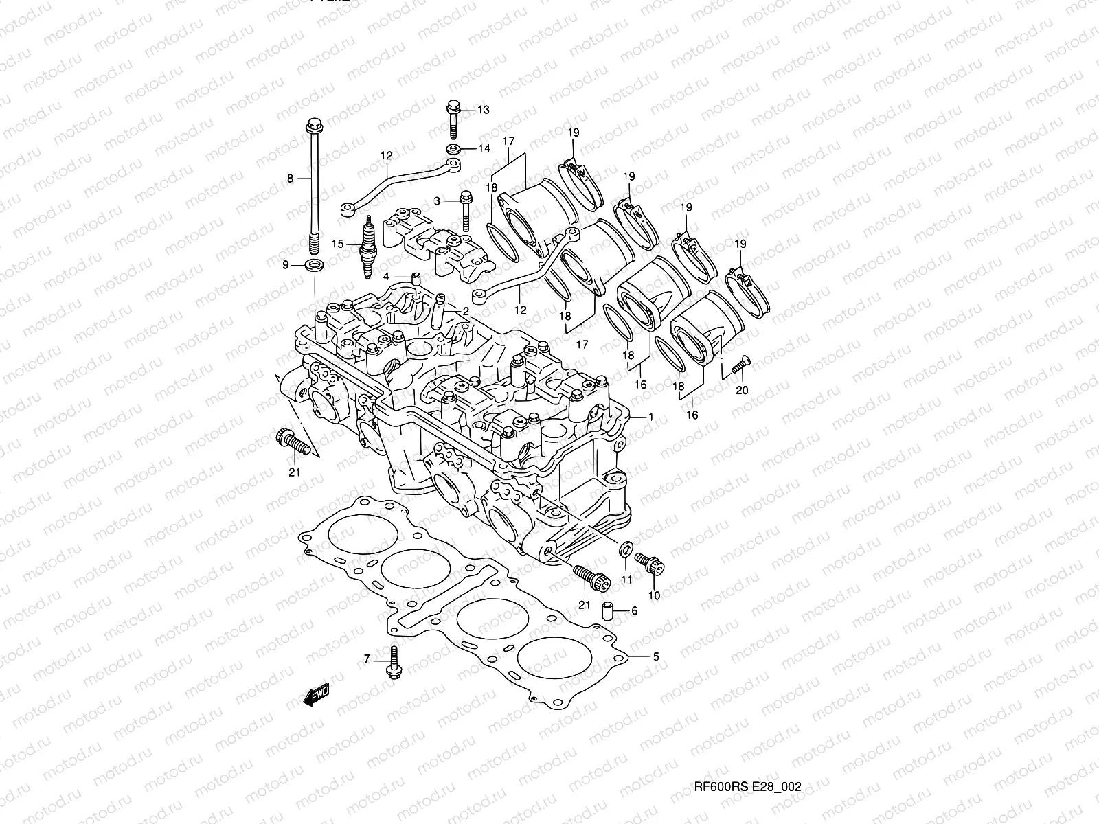
1
11100-21E00
Head assy, cylinder
2
11115-17E70
Направляющая клапана
2 268 ₽/шт
3
09103-06165
BOLT(6X45)
129 ₽/шт
4
09206-08001
Стопор
170 ₽/шт
5
11141-18E01
Прокладка цилиндра
7 312 ₽/шт
6
04211-11189
ШТИФТ
119 ₽/шт
7
01550-0630A
БОЛТ
102 ₽/шт
8
09103-10272
BOLT,10X160
1 224 ₽/шт
9
09160-10082
ШАЙБА
102 ₽/шт
10
07120-0816A
Болт
1 840 ₽/шт
11
09168-08015
Прокладка
1 720 ₽/шт
12
11131-17E00
Pipe, oil
13
09103-06026
BOLT(6X39)
101 ₽/шт
14
08322-0106A
Шайба
81 ₽/шт
16
13101-21E00
Pipe d’admission
17
13102-21E00
Pipe d’admission
18
09280-42003
КОЛЬЦО УПЛОТНИТЕЛЬНОЕ
355 ₽/шт
19
09402-52208
ДЕРЖАТЕЛЬ
221 ₽/шт
20
09126-06014
SCREW(6X16)
179 ₽/шт
21
07120-1030B
Болт
2 620 ₽/шт

Узлы для