18 - RADIATOR

18 - RADIATOR
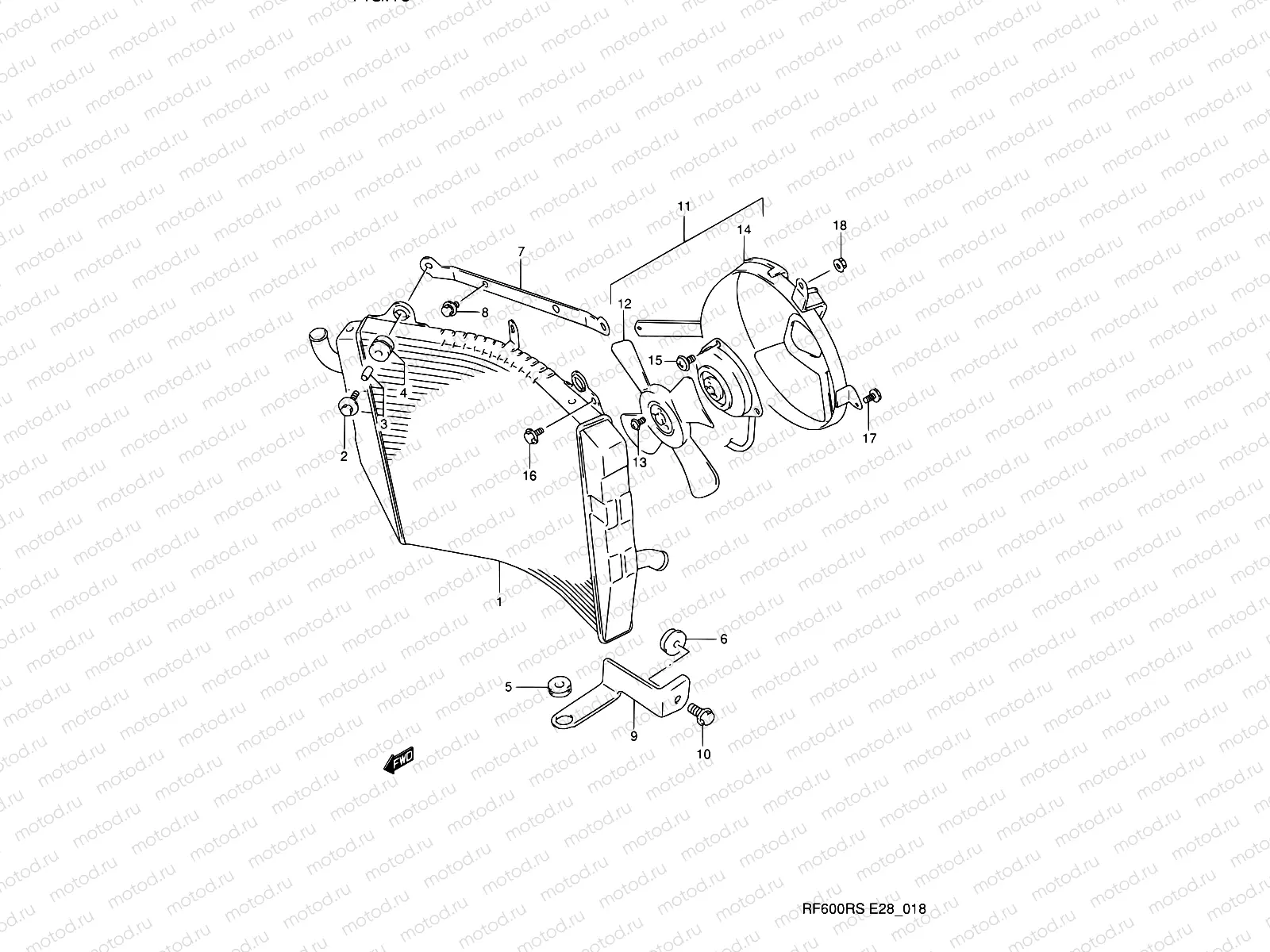
1
17710-21E00
Radiateur - refroidisseur d’eau
2
09116-06147
Болт копрусный
162 ₽/шт
3
09180-07004
Кольцо/шайба
1 410 ₽/шт
4
17787-19A00
CUSHION,RADIATOR LWR
238 ₽/шт
5
09320-12092
Cushion
3 250 ₽/шт
6
17761-21E00
Spacer,bracket
7
17740-21E01
Bracket,upper
8
01580-0616A
БОЛТ
102 ₽/шт
9
17750-21E02
Bracket,rad.low
10
01550-0855A
БОЛТ РЕССОРЫ, МЕТАЛЛ
129 ₽/шт
11
17800-21E01
Fan assy
12
17820-17E00
Fan
13
02142-0508A
SCREW
85 ₽/шт
14
17770-21E00
.shroud assy, fan
15
02142-0508A
SCREW
85 ₽/шт
16
01550-0612B
БОЛТ
81 ₽/шт
17
01550-0610B
Болт
85 ₽/шт
18
08319-31067
Гайка
153 ₽/шт

Узлы для