WHEELS DM 009457 » UNCLASSIFIED

WHEELS DM 009457 » UNCLASSIFIED
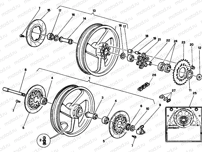
1
50120141A
FRONT WHEEL
2
49720031A
. VALVE, TUBELESS TIRE
3
71420041A
INNER SPACER
4
751612054
Roulement (6204 2RS)
5
49240081A
Disque de frein
5
8A0062587
Disque de frein
6
88110221A
.RELAY DRIVE RING
7
707008320
pc - Vis
8
81910071A
Front wheel axle (Front)
9
49810071A
SPEEDOMETER GEAR
10
000064471
.SEAL RING
11
88440011A
.SPRING RING
12
71310321B
Entretoise
13
50220092C
REAR WHEEL
14
71410381A
INNER SPACER
15
49240032A
Disque de frein
16
71410371A
BEARING SPACER
17
751631747
Roulement
18
70010591A
WHEEL RUNNER BUSH
19
82110393B
Stud bolt
20
74840241AB
pc - Nut
21
16010191B
REAR SPROCKET FLANGE
22
71010061A
SPINDLE, TAPER
23
49410023A
.REAR SPROCKET T37
24
70250451A
Roulement
25
67620051A
.FINAL DRIVE KIT
26
67641321A
. CHIAN DID 520 HV2 95+1 MAGLIE
27
67740301A
. DID JOINT 520 HV2 ZJ

Узлы для