CLUTCH COVER FMM<001274 » CLUTCH

CLUTCH COVER FMM<001274 » CLUTCH
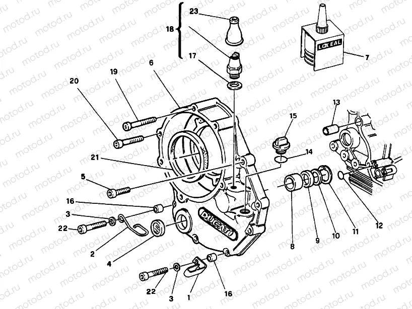
1
83014941B
CLAMP, WIRE
2
75810412A
.FAIRLEAD
3
85211761A
0 pc - Rondelle
4
25440013A
WINDOW, OIL LEVEL CHECK
5
77110518B
pc - Vis
6
24320021A
CLUTCH SIDE COVER
7
942470014
Gasket - silicone sealant
8
066549680
BUSH
9
93040911A
Joint
10
85210081A
.THRUST WASHER 0.5 MM
11
88450351A
Seeger
12
938232037
10 pc - O-Ring
13
71111601A
5 pc - Dowel pin
14
88640901A
pc - O-Ring
15
89320131A
Bouchon de remplissage d’huile
16
71312411A
0 pc - Entretoise (6.2X10X7)
17
85211951A
Rondelle
18
69921511A
. PRESSURE SWITCH
19
77110271A
Vis
20
77150788B
pc - Vis
21
93040344A
Joint
22
77150722B
Vis
23
69920791A
. CAP

Узлы для