SWING ARM » SWING ARM

SWING ARM » SWING ARM
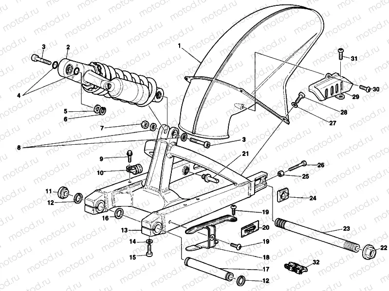
1
56510291A
Garde-boue arrière
2
36520472A
mortisseur arrière
3
77151598C
2 pc - Vis
4
036499710
Gasket (NYLON)
5
85610642A
Rondelle
6
85350071A
Rondelle (spring)
7
763110N01
ut
8
60N102589
. SCREW 10X55
9
77210551A
pc - Vis (M5x0.8x16)
10
74140621A
Collier
11
87210191A
.PLUG
12
88440071A
pc - . SPRING RING
13
37010311A
SWING ARM
14
80820041A
PIN
15
77151278B
pc - Vis
16
85210011B
. THRUST WASHER 20.5X36X1.8 MM
16
85210021A
pc - Rondelle (0,2 mm)
16
85210031B
Rondelle
17
36911172A
XLE, REAR SWING ARM
18
44710391A
Guard chain sliding shoe
19
77910891B
pc - Vis
20
43311081E
STICKER, ADJUSTING CHAIN
20
43311081F
STICKER, ADJUSTING CHAIN
21
82110332B
LOCATING PIN
22
74811171AA
Nut
23
81910091A
REAR WHEEL SPINDLE (Rear)
24
37310341A
SLIDING SHOE
25
75011251A
.NUT, SPECIAL M8
26
77910571C
Vis
27
44710401A
Guard chain sliding shoe (Lower)
28
67641331A
.CHAIN
29
44610041A
CHAIN COVER
30
77910091A
pc - Vis (M5X12)
31
77911191B
Vis

Узлы для